Product Info Top chain Accessories
We have a wide lineup of conveyor peripheral parts such as dedicated sprockets, idlers, Plastic rail, set collars, chain guide parts, frame support parts, product guide parts, and bearing units.
- For Plastic top chain
- For stainless steel Top chain
- Chain guide parts
- Frame Support Parts
- Product Guide Parts
- Set Color
Bearing Unit
Please click on the images below to see how to use each accessory.
- Sprocket
- Disassembly/connection tool
Stainless steel Top chain accessories list
Chain model numberApplicable accessories
Accessory model numberof
*Click on the model number to display detailed information. Click on the dimensional drawing to enlarge.
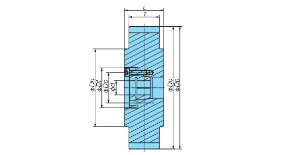
Sprocket
( Click for a listDisplay.) |
Applicable chain type | Applicable chain pitch mm |
Number of teeth | |||||||||||||||||||||||||||||||||||||||||||||||||||||||||||||||||||||||||||||||||||||||||||||||||||||||||||||||||||||||||||||||
|---|---|---|---|---|---|---|---|---|---|---|---|---|---|---|---|---|---|---|---|---|---|---|---|---|---|---|---|---|---|---|---|---|---|---|---|---|---|---|---|---|---|---|---|---|---|---|---|---|---|---|---|---|---|---|---|---|---|---|---|---|---|---|---|---|---|---|---|---|---|---|---|---|---|---|---|---|---|---|---|---|---|---|---|---|---|---|---|---|---|---|---|---|---|---|---|---|---|---|---|---|---|---|---|---|---|---|---|---|---|---|---|---|---|---|---|---|---|---|---|---|---|---|---|---|---|---|---|---|---|---|
![]() |
TT
|
TT | 38.10 | 19, 21, 23, 25 | ||||||||||||||||||||||||||||||||||||||||||||||||||||||||||||||||||||||||||||||||||||||||||||||||||||||||||||||||||||||||||||||
![]() ![]() ![]() |
× (You can move it by dragging it)
× (You can move it by dragging it)
× (You can move it by dragging it)
|
|||||||||||||||||||||||||||||||||||||||||||||||||||||||||||||||||||||||||||||||||||||||||||||||||||||||||||||||||||||||||||||||||
![]() |
TTU
|
TTU | 38.10 | 21, 23, 25 | ||||||||||||||||||||||||||||||||||||||||||||||||||||||||||||||||||||||||||||||||||||||||||||||||||||||||||||||||||||||||||||||
![]() ![]() ![]() |
× (You can move it by dragging it)
× (You can move it by dragging it)
× (You can move it by dragging it)
|
|||||||||||||||||||||||||||||||||||||||||||||||||||||||||||||||||||||||||||||||||||||||||||||||||||||||||||||||||||||||||||||||||
![]() |
TS/TSA
|
TS, TSA, TSA-HTP, TS-CTP | 38.10 | 9½, 10½, 11½, 12, 12½ | ||||||||||||||||||||||||||||||||||||||||||||||||||||||||||||||||||||||||||||||||||||||||||||||||||||||||||||||||||||||||||||||
![]() ![]() |
|
|||||||||||||||||||||||||||||||||||||||||||||||||||||||||||||||||||||||||||||||||||||||||||||||||||||||||||||||||||||||||||||||||
![]() |
TO
|
TO, TORP/TOSP | 76.20 | 11, 31 | ||||||||||||||||||||||||||||||||||||||||||||||||||||||||||||||||||||||||||||||||||||||||||||||||||||||||||||||||||||||||||||||
![]() |
|
|||||||||||||||||||||||||||||||||||||||||||||||||||||||||||||||||||||||||||||||||||||||||||||||||||||||||||||||||||||||||||||||||
![]() |
TU
|
TU | 76.20 | 11 | ||||||||||||||||||||||||||||||||||||||||||||||||||||||||||||||||||||||||||||||||||||||||||||||||||||||||||||||||||||||||||||||
![]() |
|
|||||||||||||||||||||||||||||||||||||||||||||||||||||||||||||||||||||||||||||||||||||||||||||||||||||||||||||||||||||||||||||||||
Disassembly/connection tool
| Accessory Name ( Click for a listDisplay.) |
Applicable chain model number | |||||||||||||
|---|---|---|---|---|---|---|---|---|---|---|---|---|---|---|
![]() |
Disassembly/connection tool
|
TT, TRU, TTKU, TS | ||||||||||||
![]() ![]() ![]() |
|
|||||||||||||
Click for a list



















