Design Stock

- We boast a wide selection of Small size conveyor chain, but we also manufacture and deliver a wide range of chains with special attachments to meet customer needs.
We are doing it. - We have a "design stock" of selected products with proven delivery records, and by selecting from these you can improve the efficiency of your overall equipment design.
- *For details, please refer to the "Product List" table below.
Catalogs and Instruction Manuals
Product List
*Click to display detailed information.
| Product name | Features (Click to enlarge the image) |
Double pitch | RS type | ||
|---|---|---|---|---|---|
| S Roller | R Roller | ||||
| Top surface grinding | PG | The rollers are ground. For attachments, the top surface of the attachment is ground.![]() |
RF2040S-PG
RF2050S-PG RF2060S-PG RF2080S-PG |
RF2040R-PG
RF2050R-PG RF2060R-PG RF2080R-PG |
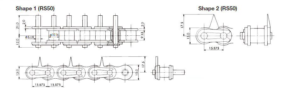
RS40-PG
RS50-PG RS60-PG RS80-PG RS100-PG RS120-PG RS140-PG RS160-PG |
| RS large attachment | --- | Large size chain with attachments, RS180 and above.![]() |
--- | --- | RS180
RS200 RS240 RF320-T RF400-T |
| Double pitch Deep Link |
DL | Based on Double pitch, this chain has an H1 dimension that is larger than the top surface of the rollers.Even with R rollers, conveyed items can be placed directly on it.![]() |
--- | RF2040R-DL
RF2050R-DL RF2060R-DL RF2080R-DL |
--- |
| With inward bending attachment | UM | The inward-curved attachment allows you to place items directly on it or clamp it to carry it. The top surface of the attachment is chamfered to prevent scratches on items.![]() |
--- | --- | RS40-UM
RS50-UM |
| With guide roller | GR | Guide rollers are used to prevent meandering and as Traveling roller. (This is not a side-bending chain.)
![]() |
RF2040S-GR
RF2050S-GR RF2060S-GR RF2080S-GR RF2100S-GR |
RF2040R-GR
RF2050R-GR RF2060R-GR RF2080R-GR RF2100R-GR |
RS40-GR
RS50-GR RS60-GR RS80-GR RS100-GR |
| With screws With extension pin |
EN | The extension pin (hardened steel) is threaded, allowing jigs and other items to be fastened with nuts.
![]() |
RF2040S-EN
RF2050S-EN RF2060S-EN RF2080S-EN RF2100S-EN |
RF2040R-EN
RF2050R-EN RF2060R-EN RF2080R-EN RF2100R-EN |
RS40-EN
RS50-EN RS60-EN RS80-EN RS100-EN RS120-EN |
| With spring clip With extension pin |
EC | Jigs and other fixtures can be attached using spring clip.
![]() |
RF2040S-EC
RF2050S-EC RF2060S-EC |
RF2040R-EC
RF2050R-EC RF2060R-EC |
RS40-EC
RS50-EC RS60-EC |
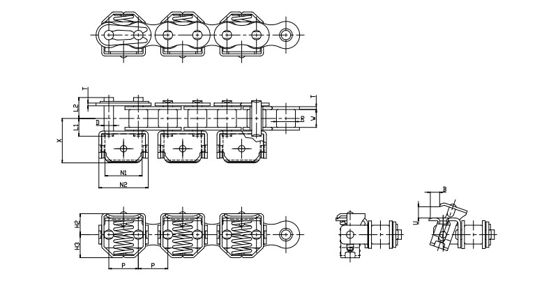
| With stay pin | ST | The pins are lengthened and the chains are parallel. This is suitable for transporting goods placed on the pins, for example, by attaching a net.
![]() |
RF2040S-ST RF2050S-ST RF2060S-ST RF2080S-ST RF2100S-ST RF2120S-ST RF2160S-ST |
RF2040R-ST RF2050R-ST RF2060R-ST RF2080R-ST RF2100R-ST RF2120R-ST RF2160R-ST |
RS35-ST
RS40-ST RS50-ST RS60-ST RS80-ST RS100-ST RS120-ST RS140-ST RS160-ST |
| With mountain-shaped attachment | RE | This chain is suitable for transporting various rod-shaped items.![]() |
--- | --- | RS40-RE
RS50-RE RS60-RE RS80-RE RS100-RE |
| With sticker | FS | This chain is suitable for transporting strip-shaped items (film, etc.) by clamping them with sharp, angled attachments.![]() |
--- | --- | RS50-FS |
| Film Gripper Chain | KUM | This chain conveys films and other materials by clamping them with spring clip.![]() |
--- | --- | RS08B-KUM
RS10B-KUM |
| With magnet | MG | The magnet attracts the case of the transported item, so it can be used for transporting items on an incline.![]() |
RF2060S-MG | --- | --- |
| With rubber attachment | RSG | Rubber is baked onto the attachment, allowing you to clamp and transport items using the elasticity of the rubber.![]() |
--- | --- | RS40-RSG-1
RS40-RSG-2 RS40-RSG-3 RS50-RSG-2 RS60-RSG-1 RS60-RSG-2 |
| Crescent | CL | For horizontal circulation transport.![]() |
--- | RF2050R-CL
RF2060R-CL RF2080R-CL RF2100R-CL |
--- |
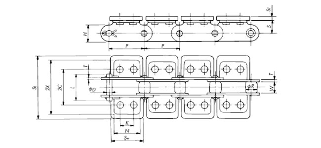
| With slats riveting |
SLT | A chain with slats. Suitable for transporting relatively heavy items.
![]() |
RF2040S-SLT
RF2050S-SLT RF2060S-SLT RF2080S-SLT |
RF2040R-SLT
RF2050R-SLT RF2060R-SLT RF2080R-SLT |
RS40-SLT
RS50-SLT RS60-SLT RS80-SLT |
| With slats Welding |
SLW | RF2060S-SLW
RF2080S-SLW |
RF2060R-SLW
RF2080R-SLW |
--- | |























