Bucket Elevator Conveyor Chain

Product Photos
  • This chain is specially designed for bucket elevators, with emphasis on wear resistance and fatigue strength.
  • With our extensive experience and proven track record, we can also offer chains with specifications suitable for conveying cement and corrosive powdered coal.
  • The joint section has a dedicated joint link that makes it easy cut and connect.
  • We also offer FB and FBXA specifications that have been designed to prevent wear and elongation.

*Please also consider the "Screw Lock Link," a connecting link that makes connection and disconnection easy.

Banner Image

Catalogs and Instruction Manuals

Specification

- General wear-resistant chainCT Series or BT Series

Focusing on highly abrasive cement, the parts are made of materials, hardness and gaps suitable for cement transport.

RT or Y specificationchain for powdered coal

This chain is specially designed for conveying corrosive fine coal.
Y specification: A specification that combines strength and toughness.

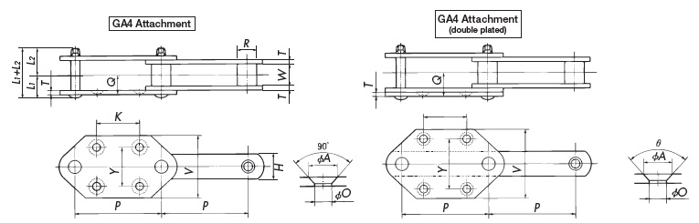
attachment

The standard attachment is the GA4 attachment.

attachment

The GA attachment is attached to the opposite side of the T-pin.

Product List

※Click to display detailed information

* Maximum allowable load is a value calculated based on our design standards and is the calculated strength. Unless otherwise specified, Maximum allowable load is used when selecting Large size conveyor chain.
This value varies depending on the manufacturer and is not a guaranteed value.

*Please contact us for average tensile strength.

Metric pitch

Size Roller
Type
Pitch Roller
Outer diameter
Inner link
Inner width
150mm 152.4mm 200mm 250mm 300mm 350mm 400mm Φmm mm
B10 S B10150S --- --- --- --- --- --- 29 30
B12 S --- B12006S B12200S --- --- --- --- 34.9 37.1
B17 S --- --- B17200S B17250S --- --- --- 40.1 51.4
B26 N --- --- B26200N B26250N B26300N --- --- 50.8 57.2
B36 N --- --- --- B36250N B36300N B36350N --- 57.2 66.7
B60 N --- --- --- --- B60300N B60350N B60400N 70 77
B90 N --- --- --- --- --- B90350N B90400N 85 88
B120 N --- --- --- --- --- --- B120400N 100 100
*We may be able to produce pitches other than those listed above. Please contact us. Return to top of page