For water screens WAC type

- Chain for automatic dust removal machines at water intakes of thermal power plants, etc.
- The pins, bushings and rollers are made of stainless steel 400 series, and all are tempered.
- This provides the excellent corrosion resistance and abrasion resistance required for reciprocating movement between seawater and air.
- Furthermore, a special resin is used as the bearing material for the inner diameter of the roller, and seawater is used as a lubricant (no grease required), making maintenance easy.
Catalogs and Instruction Manuals
Product List
※Click to display detailed information
* Maximum allowable load is a value calculated based on our design standards and is the calculated strength. Unless otherwise specified, Maximum allowable load is used when selecting Large size conveyor chain.
This value varies depending on the manufacturer and is not a guaranteed value.
*Please contact us for average tensile strength.
| size | Roller Type |
Pitch | Roller Outer diameter |
Inner link Inner width |
|---|---|---|---|---|
| 610mm | Φmm | mm | ||
| WAC25610 | R | WAC25610 | 100 | 50 |
| WAC32610 | R | WAC32610 | 100 | 50 |
| WAC45610 | R | WAC45610 | 100 | 50 |
| WAC55610 | R | WAC55610 | 100 | 50 |
| WAC65610 | R | WAC65610 | 110 | 50 |
| WAC75610 | R | WAC75610 | 110 | 66.7 |
| WAC100610 | R | WAC100610 | 130 | 66.7 |
| WAC120610 | R | WAC120610 | 150 | 70 |
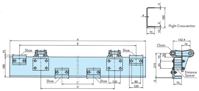
Peripheral parts for scraper
■F-type flight
- Specific gravity: 1.9
- Mass: 2.4kg/m
- Material: FRP
- Appearance color: Blue
[Example of model number display]
| AC-FL (A dimension)-(B dimension)-(C dimension)-(D dimension) |
- Notes: 1. When ordering flights, please provide a quote by including the model number (A, B, C, D dimensions in mm). Attach the chain's SF4 attachment, distance block, flights, and pressure plate, as well as the flights and shoes, using stainless steel 300 series bolts, nuts, flat washers, spring washers, etc.
(Flight does not include shoes or distance blocks) - 2. If the minimum order quantity is less than 100m, please contact us.
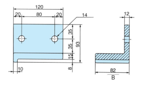
■Shoe
Double-brimmed
- Specific gravity: 1.14
- Mass: 260g
(For width 70mm) - Material: resin
- Appearance color: Black
[Example of model number display]
| AC | - | FL-SH | D | 82 |
| | shoe |
| Double-brimmed |
| A part dimensions |
- *Also available for flight widths of 60 and 50 mm. Other dimensions are the same as above.
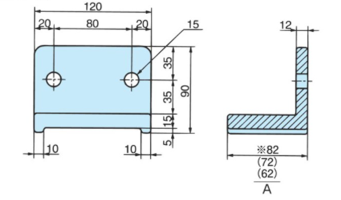
Single flange type
- Specific gravity: 1.17
- Mass: 290g
- Material: Polyurethane
- Appearance color: Black
[Example of model number display]
| AC | - | FL-SH | S | 82 |
| | shoe |
| Single flange type |
| B section dimensions |
- Note: We can also manufacture plastic shoes of other dimensions, so please contact us for details.
■Distance Block
- Specific gravity: 1.4
- Mass: 240g
- Material: resin
- Appearance color: Black
[Example of model number display]
| AC | - | FL-DIS |
| | Distance Block |
- Note: The dimensions listed are nominal dimensions and may differ from the actual dimensions.

