BB Series

- The bearing (6200 series) and cam clutch are integrated.
- The bearing (6200 series) has a built-in cam clutch. To complement the atmosphere, we also offer a lineup of bearings with oil seals.
- It can be used over a wide range of speeds, from low to high, and is suitable for small, light load applications.
- トルク範囲:29~260N・m
Features
- ・Compact design
It combines the functions of a one-way clutch and a bearing in a small space, allowing for effective use of space. - ・Easy to install
Two types of mounting to the shaft or housing are available: press fit and key-fixed. - ・Increased torque capacity
By arranging multiple cams between the inner and outer races, it is possible to transmit larger torque than with a shell-type roller clutch. - ・All products in stock and ready for immediate delivery
We also offer a lineup of products with oil seals, taking into consideration the environment in which they will be used.
Structure
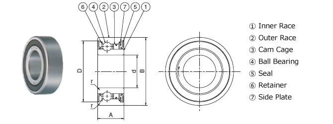
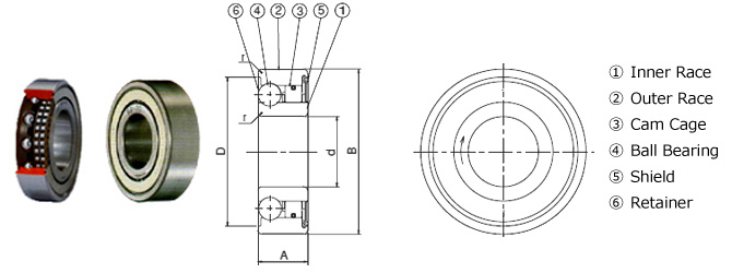
・BB type
This is the basic type. A cam clutch is built into the 6200 series ball bearing. outer race are press-fit to transmit press fit.
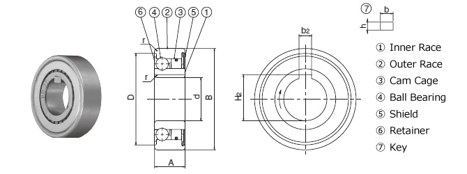
・BB series 1K-K type (with inner race keyway)
This is a BB type with a keyway on inner race. outer race transmits torque by press fit. A key is included.
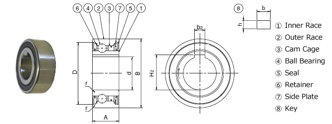
・BB series 2K-K type (with inner and outer race keyways)
This is a BB type with keyways on the inner and outer race. Mounting to the housing and shaft is done with a key. The key is included.
・BB series 2GD type (with rubber contact seals on both sides)
This is a BB type with rubber seals on both sides. outer race transmit torque by press fit. The width is 5mm larger than the BB type.
・BB series 2GD1K-K type (with rubber contact seals on both sides and inner race ring keyway)
This is a BB-2GD type with a keyway on inner race. outer race transmits torque by press fit. A key is included.
Model number display example
| BB30 | - | 1K | - | K | |
| | size |
| 1K: With inner race key groove 2K: Inner and outer race with key grooves |
| Key included |
|||
| (If there is no keyway, "1K-K" and "2K-K" are blank) | |||||
| BB30 | - | 2GD | 1K | - | K |
| | size |
| Rubber contact seals on both sides |
| With inner race key groove |
| Key included |
||
| (If there is no keyway, leave "1K-K" blank) | |||||

