Hypoid gear head HMTK

- General-purpose gear heads for servo applications achieving high economic efficiency and short lead-time.
- The hypoid gearhead HMTK is a high-efficiency type with right-angle shaft.
- Output shaft: Hollow/solid
- Compatible servo motors: 0.2 to 5.0kW
- Reduction ratio: 1/5 to 1/200
Servo motors compatible with selection tools
| Manufacturer | Model example |
|---|---|
| Omron | R88M-K and others |
| Oriental Motor | KXR |
| Keyence | SV2, SV and others |
| Tamagawa Seiki | TS46 and others |
| Panasonic | MSM et al. |
| Mitsubishi Electric | HK-KT, HG-SR, etc. |
| Yaskawa Electric | SGM7 and others |
Features
-
Economy
We have adapted general-purpose gearheads for servo applications, allowing us to deliver products economically and with Quick delivery.
-
-High efficiency
Compared to worm gears, it has less slippage and is more efficient. It consumes less power for the same output.
-
・Compact and space-saving
The compact body with reduced height allows for flexible installation and mounting. There are no restrictions on the installation angle, whether horizontal, vertical, or tilted.
-
・Output shaft backlash (approximate value)
Unit: minutes Reduction ratio 5~10 15~100 120~200 angle 60 30 20 *This is not a guaranteed value.
Mounting type/shaft arrangement
| H | US | UT |
|---|---|---|
|
|
|
- [Mounting type]
- H: Hollow shaft type
- US: Face mount type, single output shaft
- UT: Face mount type, double output shaft
- L: Foot mount type *Please contact us.
- [Output shaft rotation direction]
- When rotating clockwise toward the input shaft, viewed from the surface on the through-hole side
- Two-stage type: Left rotation
- 3-stage type: Right rotation
Catalogs and Instruction Manuals
Model number display example
| HMTK | 0428 | U | 20 | S | - | □□□C |
| | type |
| Size |
| Mounting Type |
| Reduction ratio |
| Shaft Arrangement |
| Mount Code |
|
| U: Face mount type H: Hollow output shaft |
S: Output shaft on one side (face side) (Face mount type only) T: Output shaft on both sides (Face mount type only) No symbol: Hollow shaft type |
(clamp type) |
| HMTK | 3750 | U | 60 | S | - | L1RJ |
| | type |
| Size |
| Mounting Type |
| Reduction ratio |
| Shaft Arrangement |
| Mount Code * |
|
| U: Face mount type H: Hollow output shaft |
S: Output shaft on one side (face side) (Face mount type only) T: Output shaft on both sides (Face mount type only) No symbol: Hollow shaft type |
(Keyway type) |
■ Tsubaki model No. navigation
Type Name
HMTK: Right-angle shafttype using hypoid gears.
GMTK: A parallel shaft type that uses helical gears.
Size
Indicates the rated input capacity.
Frame No.
This indicates the size of the reducer. For most models, this is the same value as the output shaft diameter.
It is automatically determined from the motor capacity and reduction ratio.
Mounting Type
L: Foot mount mounted type.
U: Face-mounted type.
F: Flange mounting type.
Face mount or flange mount?
It is automatically determined by the frame number.
Reduction ratio
Indicates the reduction ratio.
The range division corresponds to the frame number.
Shaft arrangement
For HMTK type
No symbol: If the mounting format is a hollow shaft type (H), the shaft arrangement symbol is not required.
S: When the mounting format is face mount (U), the solid output shaft protrudes toward the mounting surface.
T: A type with a solid output shaft on both sides.
For GMTK type
No symbol: No shaft arrangement symbol is required.
Mount Code
Specify the mount code that matches the motor you are installing.
Product List
*Click on the model number to display detailed information. Open all Close all
Rated input 0.2kW (Model number HMTK02~)
Rated input 0.4kW (Model number HMTK04~)
| Mount Code | Reduction ratio | Hollow shaft type | Face mount type | |
|---|---|---|---|---|
|
Lower motor mount |
1/5 | HMTK0430H5 | HMTK0428U5S | HMTK0428U5T |
| 1/10 | HMTK0430H10 | HMTK0428U10S | HMTK0428U10T | |
| 1/15 | HMTK0430H15 | HMTK0428U15S | HMTK0428U15T | |
| 1/20 | HMTK0430H20 | HMTK0428U20S | HMTK0428U20T | |
| 1/25 | HMTK0430H25 | HMTK0428U25S | HMTK0428U25T | |
| 1/30 | HMTK0430H30 | HMTK0428U30S | HMTK0428U30T | |
| 1/40 | HMTK0430H40 | HMTK0428U40S | HMTK0428U40T | |
| 1/50 | HMTK0430H50 | HMTK0428U50S | HMTK0428U50T | |
| 1/60 | HMTK0435H60 | HMTK0438U60S | HMTK0438U60T | |
| 1/80 | HMTK0435H80 | HMTK0438U80S | HMTK0438U80T | |
| 1/100 | HMTK0435H100 | HMTK0438U100S | HMTK0438U100T | |
| 1/120 | HMTK0435H120 | HMTK0438U120S | HMTK0438U120T | |
| 1/160 | HMTK0435H160 | HMTK0438U160S | HMTK0438U160T | |
| 1/200 | HMTK0435H200 | HMTK0438U200S | HMTK0438U200T | |
Rated input 0.75kW (Model number HMTK07~)
| Mount Code | Reduction ratio | Hollow shaft type | Face mount type | |
|---|---|---|---|---|
|
Lower motor mount |
1/5 | HMTK0735H5 | HMTK0738U5S | HMTK0738U5T |
| 1/10 | HMTK0735H10 | HMTK0738U10S | HMTK0738U10T | |
| 1/15 | HMTK0735H15 | HMTK0738U15S | HMTK0738U15T | |
| 1/20 | HMTK0735H20 | HMTK0738U20S | HMTK0738U20T | |
| 1/25 | HMTK0735H25 | HMTK0738U25S | HMTK0738U25T | |
| 1/30 | HMTK0735H30 | HMTK0738U30S | HMTK0738U30T | |
| 1/40 | HMTK0735H40 | HMTK0738U40S | HMTK0738U40T | |
| 1/50 | HMTK0735H50 | HMTK0738U50S | HMTK0738U50T | |
| 1/60 | HMTK0745H60 | HMTK0742U60S | HMTK0742U60T | |
| 1/80 | HMTK0745H80 | HMTK0742U80S | HMTK0742U80T | |
| 1/100 | HMTK0745H100 | HMTK0742U100S | HMTK0742U100T | |
| 1/120 | HMTK0745H120 | HMTK0742U120S | HMTK0742U120T | |
| 1/160 | HMTK0745H160 | HMTK0742U160S | HMTK0742U160T | |
| 1/200 | HMTK0745H200 | HMTK0742U200S | HMTK0742U200T | |
Rated input 1.5kW (Model number HMTK15~)
| Mount Code | Reduction ratio | Hollow shaft type | Face mount type | |
|---|---|---|---|---|
|
Lower motor mount |
1/5 | HMTK1545H5 | HMTK1542U5S | HMTK1542U5T |
| 1/10 | HMTK1545H10 | HMTK1542U10S | HMTK1542U10T | |
| 1/15 | HMTK1545H15 | HMTK1542U15S | HMTK1542U15T | |
| 1/20 | HMTK1545H20 | HMTK1542U20S | HMTK1542U20T | |
| 1/25 | HMTK1545H25 | HMTK1542U25S | HMTK1542U25T | |
| 1/30 | HMTK1545H30 | HMTK1542U30S | HMTK1542U30T | |
| 1/40 | HMTK1545H40 | HMTK1542U40S | HMTK1542U40T | |
| 1/50 | HMTK1545H50 | HMTK1542U50S | HMTK1542U50T | |
| 1/60 | HMTK1545H60 | HMTK1542U60S | HMTK1542U60T | |
| 1/80 | HMTK1545H80 | HMTK1542U80S | HMTK1542U80T | |
| 1/100 | HMTK1555H100 | HMTK1550U100S | HMTK1550U100T | |
| 1/120 | HMTK1555H120 | HMTK1550U120S | HMTK1550U120T | |
| 1/160 | HMTK1555H160 | HMTK1550U160S | HMTK1550U160T | |
| 1/200 | HMTK1555H200 | HMTK1550U200S | HMTK1550U200T | |
Rated input 2.2kW (Model number HMTK22~)
| Mount Code | Reduction ratio | Hollow shaft type | Face mount type | |
|---|---|---|---|---|
|
Lower motor mount |
1/5 | HMTK2245H5 | HMTK2242U5S | HMTK2242U5T |
| 1/10 | HMTK2245H10 | HMTK2242U10S | HMTK2242U10T | |
| 1/15 | HMTK2245H15 | HMTK2242U15S | HMTK2242U15T | |
| 1/20 | HMTK2245H20 | HMTK2242U20S | HMTK2242U20T | |
| 1/25 | HMTK2245H25 | HMTK2242U25S | HMTK2242U25T | |
| 1/30 | HMTK2245H30 | HMTK2242U30S | HMTK2242U30T | |
| 1/40 | HMTK2245H40 | HMTK2242U40S | HMTK2242U40T | |
| 1/50 | HMTK2245H50 | HMTK2242U50S | HMTK2242U50T | |
| 1/60 | HMTK2245H60 | HMTK2242U60S | HMTK2242U60T | |
| 1/80 | HMTK2255H80 | HMTK2250U80S | HMTK2250U80T | |
| 1/100 | HMTK2255H100 | HMTK2250U100S | HMTK2250U100T | |
| 1/120 | HMTK2255H120 | HMTK2250U120S | HMTK2250U120T | |
Rated input 3.7kW (Model number HMTK37~)
| Mount Code | Reduction ratio | Hollow shaft type | Face mount type | |
|---|---|---|---|---|
| 1/5 | HMTK3755H5 | HMTK3750U5S | HMTK3750U5T | |
| 1/10 | HMTK3755H10 | HMTK3750U10S | HMTK3750U10T | |
| 1/15 | HMTK3755H15 | HMTK3750U15S | HMTK3750U15T | |
| 1/20 | HMTK3755H20 | HMTK3750U20S | HMTK3750U20T | |
| 1/25 | HMTK3755H25 | HMTK3750U25S | HMTK3750U25T | |
| 1/30 | HMTK3755H30 | HMTK3750U30S | HMTK3750U30T | |
| 1/40 | HMTK3755H40 | HMTK3750U40S | HMTK3750U40T | |
| 1/50 | HMTK3755H50 | HMTK3750U50S | HMTK3750U50T | |
| 1/60 | HMTK3755H60 | HMTK3750U60S | HMTK3750U60T | |
Rated input 5.5kW (Model number HMTK55~)
| Mount Code | Reduction ratio | Hollow shaft type | Face mount type | |
|---|---|---|---|---|
| 1/5 | HMTK5555H5 | HMTK5550U5S | HMTK5550U5T | |
| 1/10 | HMTK5555H10 | HMTK5550U10S | HMTK5550U10T | |
| 1/15 | HMTK5555H15 | HMTK5550U15S | HMTK5550U15T | |
| 1/20 | HMTK5555H20 | HMTK5550U20S | HMTK5550U20T | |
| 1/25 | HMTK5555H25 | HMTK5550U25S | HMTK5550U25T | |
| 1/30 | HMTK5555H30 | HMTK5550U30S | HMTK5550U30T | |
| 1/40 | HMTK5555H40 | HMTK5550U40S | HMTK5550U40T | |
Motor mount dimension diagram
0.2kW~2kW
Unit: mm
| Size | Mount Code By motor manufacturer Compatibility list |
Motor mount dimensions | |||||||
|---|---|---|---|---|---|---|---|---|---|
| AD | MA | MB | MC | MD | ML(min) | MS | MT | ||
| HMTK0220H HMTK0222U |
E4DC | 50 | □60 | Φ50G7 | M5 depth 12 (PCD70) | 5 | 30(25) | Φ8 | M4 |
| E4HC | Φ14 | ||||||||
| HMTK0230H HMTK0228U |
E4DC | 54 | □60 | Φ50G7 | M5 depth 12 (PCD70) | 5 | 30(25) | Φ8 | M4 |
| E4EC | Φ9 | ||||||||
| E4HC | Φ14 | ||||||||
| G2HC | □80 | Φ70G7 | M6 depth 10 (PCD90) | ||||||
| HMTK04 | E4HC | 54 | □60 | Φ50G7 | M5 depth 12 (PCD70) | 5 | 30(25) | Φ14 | M4 |
| G2HC | □80 | Φ70G7 | M6 depth 10 (PCD90) | ||||||
| HMTK07 | G5KC | 63 | □80 | Φ70G7 | M6 depth 15 (PCD90) | 5 | 40(30) | Φ16 | M5 |
| G5LC | Φ19 | ||||||||
| K2KC | □130 | Φ110G7 | M8 depth 13 (PCD145) | Φ16 | |||||
| K2LC | Φ19 | ||||||||
| K3YC | 81 | M8 depth 16 (PCD145) | 8 | 58(40) | Φ24 | ||||
| HMTK15 | K3LC | 77 | □130 | Φ110G7 | M8 depth 16 (PCD145) | 8 | 58(40) | Φ19 | M5 |
| K3MC | Φ22 | ||||||||
| K3YC | Φ24 | ||||||||
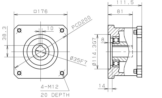
| HMTK22 | L1PC | 121 | □180 | Φ114.3G7 | M12 depth 16 (PCD200) | 8 | 80(55) | Φ28 | M6 |
| L1RC | Φ35 | ||||||||
3.5kW, 5kW
Sizes: HMTK3755H, HMTK3750U, HMTK5555H, HMTK5550U
Mount code: L1RJ
option
Shaft end cover
For hollow shaft types, a cover is available to attach to the end of the hollow shaft opposite the mounting side. Also compatible with adapters and double shaft types.
(Material: Polypropylene resin, green)
・寸法(単位:mm)、PDF図面、標準価格・納期
| Model number | Applicable capacity, speed ratio | PDF Drawings | 標準価格 | Delivery |
|---|---|---|---|---|
| HM70CAP | HMTK0220H5~60 | PDF Standard and keyless specifications | お問合せください | お問合せください |
| HM90CAP | HMTK0230H5~200 HMTK0430H5~35H200 HMTK0735H5~45H200 HMTK1545H5~80 HMTK2245H5~60 |
PDF For standard specifications | お問合せください | お問合せください |
| HM140CAP | HMTK1555H100~200 HMTK2255H80~120 HMTK3755H5~60 HMTK5555H5~40 |
PDF For standard specifications | お問合せください | お問合せください |
| HM90CAP-PL | HMTK0230H5~200 HMTK0430H5~35H200 HMTK0735H5~45H200 HMTK1545H5~80 HMTK2245H5~60 |
PDF Standard and keyless specifications | お問合せください | お問合せください |
Torque arm
- For hollow shaft types, torque arms are available for on-shaft mounting. also compatible with adapters and double-shaft types. (material: SS400)

It can be installed in either position depending on the installation condition of the reducer.
・寸法(単位:mm)、PDF図面、標準価格・納期一覧
| Model number | Applicable capacity, speed ratio | A | B | C | D | H | L | R1 | R2 | R3 | ΦZ1 | ΦZ2 | Recommendation bolts |
Plate thickness t |
PDF Drawings | 標準価格 | Delivery |
|---|---|---|---|---|---|---|---|---|---|---|---|---|---|---|---|---|---|
| HM100TA | HMTK0220H5~60 | 100 | 62 | 38 | 70 | 82 | 126 | 9 | 11 | 37 | 9 | 11 | M10 | 4.5 | お問合せください | お問合せください | |
| HM150TA | HMTK0230H5~200 HMTK0430H5~50 |
150 | 103 | 47 | 88 | 129 | 157 | 11 | 15 | 47 | 11 | 13 | M12 | 6 | お問合せください | お問合せください | |
| HM200TA | HMTK0435H60~200 HMTK0735H5~50 |
200 | 142 | 58 | 106 | 171 | 188 | 12 | 17 | 47 | 13 | 17 | M16 | 6 | お問合せください | お問合せください | |
| HM250TA | HMTK0745H60~200 HMTK1545H5~80 HMTK2245H5~60 |
250 | 177 | 73 | 123 | 214 | 228 | 16 | 21 | ― | 17 | 21 | M20 | 9 | お問合せください | お問合せください | |
| HM350TA | HMTK1555H100~200 HMTK2255H80~120 HMTK3755H5~60 HMTK5555H5~40 |
350 | 245 | 105 | 182 | 293 | 331 | 22 | 26 | ― | 22 | 22 | M20 | 9 | お問合せください | お問合せください |

