Automatic oiler for TCL type conveyor chain

- The TCL type oiler is an automatic oiler for conveyor chains.
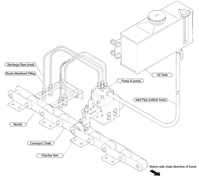
- The roller of the chain pushes up the checker arm of the pump in the oiler's main body, activating the pump mechanism and discharging the appropriate amount of lubricating oil from the nozzle.
- Therefore, it does not require a power source such as electricity, is easy to install, and provides accurate and stable lubricate.
Features
-
・No power source required
The pump mechanism inside the main body is operated by the running chain, so no power source such as electricity or air is required, making installation and maintenance easy.
-
・Accurate lubrication
Lubrication is performed in conjunction with the movement of the chain, ensuring accurate and stable lubrication.
-
・Compact and low price
Compared to existing conveyor chain lubricators, it is lighter, smaller, easier to handle, and more economical.
Set contents
Automatic oiler for conveyor chain
Reduces wear, rolling resistance and rolling noise.
TCL4
TCL2
■ Set contents
- 1. Main pump: 1 unit
- 2. Oil tank (5L): 1
- 3. Rubber hose (2m): 1 piece
- 4. Copper tubes (2m): 2 TCL2 types, 4 TCL4 types
- 5. Nozzles: 2 TCL2 type, 4 TCL4 type
- 6. Nozzle mounting bracket: TCL2 type 1 set, TCL4 type 2 sets
[Angle bar: 1, Nozzle mounting plate: 2]
performance
| kinds | TCL4 | TCL2 |
|---|---|---|
| Outlet | 4 mouths | 2 mouths |
| Possible number of operations | max.3 times/sec Please refer to the product list for the relationship between usable chain pitch and chain speed. |
|
| Discharge amount | Fixed type 0.05cc/shot/mouth | |
| Timing Detection | Checker arm detection method | |
| Run/stop (ON/OFF) | After stopping the conveyor, manually switch the checker arm. | |
| Oil tank | 5L | |
| Operating temperature | -10℃~120℃ | |
Note) The operating temperature is the temperature at which the nozzle tip can be used. The operating temperature for the main body is -10°C to 60°C.
Catalogs and Instruction Manuals
Model number display example
| TCL4 | - | R | |
| | size TCL4: 4 nozzles TCL2: 2 nozzles |
| Chain travel direction R: Right direction as seen from the checker arm side L: Left direction when viewed from the checker arm side |
||
Product List
※Click to display detailed information
| Outlet | |||
|---|---|---|---|
| 4 mouths | 2 mouths | ||
| Direction of travel | Right (R) | TCL4-R | TCL2-R |
| Left (L) | TCL4-L | TCL2-L | |

