Fit bore Made to Order

- Standardized machining specifications for shaft holes, keyways, tapped holes, and surface treatment.
No additional work is required by the customer and it can be used immediately. - *Smart: Processing specifications are coded.
- *Smooth: Customers do not need to create processing drawings when placing orders, and drawing data is also available.
- *Speedy: Ready to use as soon as it arrives.

Features
- * These pulleys feature standardized machining specifications for shaft holes, keys, taps, and surface treatment, allowing them to be ordered using only the part number.
- *Available in P3M (material: aluminum only), P5M, P8M, and P14M.
- * You can check the specifications in drawings from Fit Bore Drawing Library.
Click here to select processing content and output drawings
Processing specifications
Shaft hole processing

| Shaft bore tolerance | Shaft Hole Diameter | Chamfer amount |
|---|---|---|
|
|
|
- Processing dimensions are in 1mm increments (inch dimensions are not included)
- Tsubaki's standard chamfer is all 0.5mm
Keyway Machining

| Keyway tolerance | Keyway width |
|---|---|
|
|
- Dimensions are JIS compliant
- "W00" for no keyway
Tapping

| Tap count and placement | Tap Size |
|---|---|
|
|
- Tap size corresponds to shaft hole diameter
- No tap is "D0M00"
Surface Treatment
- No markings: None
- K: Electroless nickel-phosphorus plating
- *If there is no surface treatment, the rest of the text will be blank.
- [Note] Additional processing parts will not be plated.
Model number display example
| PT30P5M15AF | -A | - | H | 020 | N | - | J | 06 | D3 | M06 | |
| | Pulley body model number |
| | | | | |
| | | |
| Shaft Hole Diameter mm |
| | | | | |
| | | |
| Keyway width mm |
| | | |
| Tap Size |
|||
| Shaft bore tolerance |
Keyway tolerance |
Tap hole machining package |
|||||||||
| Material -A: Aluminum alloy None: Carbon steel for mechanical structures |
Shaft bore chamfer | ||||||||||
Precautions
- *Key grooves and taps are JIS compliant sizes. Please check with your own account to see if they are suitable for your conditions of use. Or contact us for more information.
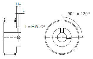
Processing specifications (tap processing position)
AF type
BF type
- *For the AF type, the tapping angle at the second location is an approximate value (due to machining on the pulley tooth root).
- *If the tapping length is long, a counterbore hole may be machined.
- *For tapped specifications, a set screw is attached to each tapped hole.
Set screw specifications
- Hexagonal socket, recessed tip type, made of steel.
- If the body is plated, a stainless steel set screw is installed.

