Q&A Top chain

We have posted frequently asked questions from customers in Q&A format. Please click on the question to proceed to the answer.

Words in Q&Aof

Top chain in general

Q1 What are the classifications of Top chain?
Q2 What are the classifications and features of plastic Top chain and stainless Top chain?
Q3 How do I choose Top chain specifications (material)?
Q4 What is the difference between stainless steel pins and plastic pins?
Q5 How to choose the rail material?
Q6 How to install straight rails?
Q7 What are some examples of the Ultra Low Friction / Anti-Wear (ALF) specification?
Q8 What is the corrosion resistance of the material used for Top chain?

Plastic top chain, Plastic block chain

Q9 What is the conveyor design for Plastic top chain and Plastic block chain?
Q10 Layout of the return side of Top chain and Plastic block chain
Q11 Conveyors using corner discs
Q12 What is the conveyor design for Plastic Crescent Chain?
Q13 How do I disassemble and assemble Plastic top chain and Plastic block chain?
Q14 What precautions should I take when using plastic pins on Plastic top chain and Plastic block chain?
Q15 Can Plastic top chain and Plastic block chain be operated forward and backward?
Q16 How should straight running TTP, TPF, TPS, and TPH be used?
Q17 What is the difference between TTUP and TPU for curved transport?

Plastic modular chain

Q18 What are the uses of Plastic modular chain?
Q19 How do I disassemble and assemble Plastic modular chain?
Q20 How to install the sprocket?
Q21 What is the conveyor design for Plastic modular chain?
Q22 Layout of the return side of Plastic modular chain
Q23 Is forward and reverse operation possible with Plastic modular chain?
Q24 I would like to manufacture a conveyor with a small transfer section.
Q25 I want to eliminate residual transported items on a cross conveyor.
Q26 [Plastic modular chain] What sprockets can be used with chains that have float-preventive tabs?
To the answer
Q1 What are the classifications of Top chain?
A1

Top chain consists of three product categories: plastic Top chain, stainless steel Top chain, and Top chain accessories. For the differences between plastic Top chain and stainless steel Top chain, please refer to the "Features Quick Reference Table" and "Overview Comparison of Plastic Top chain and Stainless Steel Top chain" below.

[Top chain accessories]

A variety of shapes and materials can be selected to suit different applications, making it a convenient item for conveyor peripheral equipment.

  • Plastic rail
  • Set Color
  • Chain guide parts
  • Frame Support Parts
  • Product Guide Parts
  • Bearing Unit
  • Top chain disassembly and connection tool

We have a wide lineup of conveyor peripheral parts such as:

[Features quick reference table]

Features Plastic Top chain Stainless steel Top chain
1 The unique softness of plastic reduces scratches on transported items Large allowable tension
Note) 1
2 Lightweight and simple structure makes maintenance easy Can be used in a wide range of temperatures from -20℃ to 400℃
Note) 2
3 A long life is expected due to the use of materials with excellent sliding properties. Used as a standard corrosion-resistant chain
Note) 3
4 5 to 7 dB quieter than stainless steel chain conveyors ---
5 Rust-free and hygienic, allowing food to be directly transported ---
  • Notes: 1. allowable tension is approximately twice that of our TT/TP type.
  • Note) 2. For SUS304.
  • Note 3) When all parts are made of SUS304.

[Comparison of plastic Top chain and stainless Top chain]

item Plastic Top chain Stainless steel Top chain
noise -5~7dB as 0
Lightness 1/3 As 1
Friction coefficient 1/1.5~1/2.5 As 1
Operating temperature -20°C to 80°C (some exceptions apply) -20°C~400°C
allowable tension 1/2 As 1
Back to Questions
Q2 What are the types, features, and uses of plastic Top chain and stainless Top chain?
A2

[Plastic modular chain]

By combining plastic modular links with a chain structure in a brick-like configuration, a wide belt-like conveying surface is created, and reliable drive is achieved through the meshing of the chain and sprockets.

You can choose from "closed type," "open type," "net type," etc. depending on the application and shape of the transported object. In addition, the lineup also includes "magnetic type," "rubber type," and "flight type" that are suitable for inclined transport.

The conveying surface can be as wide as 50 mm, allowing for conveying over a wider surface than Plastic top chain or Plastic block chain.

[Main uses]

Ideal for transporting wide or large quantities of products at once, and for transporting heavy items.

(Application example)
  • Large quantity of containers
  • Wide items such as packing boxes and sheets
  • Transporting heavy objects such as tires

[Plastic top chain]

The top plate and chain are molded as a single piece from plastic and connected with a joint pin.

We also offer a lineup of models where only the top plate is made of plastic and the chain is made of steel.We also have models with freely rotating rollers attached to the plate, which reduces line pressure during accumulation.

The top plate width can be selected from 42.0 to 304.8 mm to suit the items being transported.

[Main uses]

Ideal for loading and transporting plates one by one

(Application example)
  • Container transport
  • Packing box transport

[Plastic block chain]

It has a simple structure with block-shaped links connected by joint pins.

It uses a smaller chain pitch (9.525 to 25.4 mm) than Plastic top chain, allowing the outer diameter of the sprocket to be smaller.

The link width is small, ranging from 13 to 63 mm, allowing for installation in small spaces.

[Main uses]

  • single strand use: Ideal for transporting small items such as eye drops
  • Double-row use: Ideal for transporting pallets and packing boxes
(Application example)
  • Small item transport
  • Pallet transport
  • Packing box transport

[Stainless steel Top chain]

Top chain uses stainless steel for its main parts, which has excellent corrosion resistance. There are types in which the top plate is made integral with the chain, and types in which the two are joined together.

Generally, Maximum allowable load is greater than that of Plastic top chain.

[Main uses]

  • Applications involving the transportation of heavy objects or long conveyor length that cannot be handled with plastic.
  • High temperature environments such as inside a furnace (SUS304: -20°C to 400°C)
  • In an environment where chemicals may come into contact with the product (when all parts are made of SUS304)
(Application example)
  • Heavy object transportation
Back to Questions
Q3 How do I choose Top chain specifications (material)?
A3

Please check the link below for how to select specifications and the application table for each specification.

Back to Questions
Q4 What is the difference between stainless steel pins and plastic pins?
A4

Plastic pin specifications are lightweight and very easy to handle, and are the mainstream for Plastic modular chain and Plastic top chain, if the chain is only exposed to water (which has adhered to the transported items from the previous process), stainless steel pin specifications may have a short lifespan due to the effects of water, so plastic pin specifications are recommended.

Stainless steel pin specifications are the mainstream for Plastic block chain, but depending on the product, allowable tension may be greater than that of plastic pin specifications. Also, stainless steel pin specifications are recommended for products that are subject to impact.


Plastic pin specification

Approximately the same allowable tension as stainless steel pins (80-100%)
We have made ingenious efforts to use thick plastic pins and the structure of the hinge section.

Long life: Tsubaki's unique combination of materials provides excellent wear resistance between the pin and bushing under a variety of conditions, including dry, soapy water, and water. It is particularly effective with water lubrication.

Lightweight: 75-85% lighter than Top chain with stainless steel pins. Easy to handle, reduces power requirements and noise.

Easy to dispose of: The entire chain is made of engineering plastic, so it can be disposed of as is.

Conforms to the Food Sanitation Act: Both the links and pins are made from materials that conform to the Food Sanitation Act.

Notes: 1. Please refer to the catalog technical notes, handling of Top chain, precautions for use of plastic pin types, and disassembly and connection.
2. The plastic pin specification allows for a wet operating temperature of up to 60°C.

Back to Questions
Q5 How to choose the rail material?
A5

When designing a plastic chain, a rail is generally installed to support the chain. The material of this rail is selected depending on the application and purpose.

General-purpose use

Ultra-high molecular weight polyethylene rails (Plastic rail, P-rail) are often used. Recommended for lubricated conditions.
*Please note that if there is no lubrication, a lot of wear debris will be generated.

When you want to reduce the generation of Wear debris

We recommend using PLF or M rails. Stainless steel (polished) or metal rails (hard chromium plated and buffed) will also reduce the generation of Wear debris.

*M rails are designed for dry conditions only. Do not use in places where they are subject to lubrication or water.

* Wear debris generated by metal rails such as stainless steel are black and contain metal particles.

When used in a high temperature environment

We recommend using metal rails that are polished or have a hard chrome plating and buff finish.


When used at high temperatures

We recommend using stainless steel (cold rolled material) for the rail material.

When fixing the rails, fix only one end, taking thermal expansion into consideration. Also, take thermal expansion into consideration when leaving gaps between rails.

(Reference: The linear expansion coefficient of SUS304 is 1.8 x10 -5 mm/mm/℃)
(Example) Fixing stainless steel rails and gaps between rails

Standard steel sprockets can be used when the ambient temperature is below 150°C.
For temperatures above 150°C, a special sprocket is required. Please contact us for details.

When using multiple strand chains, the gap between the chains should be the following dimensions.

Take-up is necessary to absorb thermal expansion of the chain. Always adjust the take-up after raising the temperature to the operating temperature. When lowering the temperature, be sure to loosen the take-up first.

Black Wear debris will be generated, so clean it regularly.

When starting up, use a slow start (using inverter control, etc.), and when stopping, use a slow stop.


<Rail material selection table>
Top chain type Rail Material Lubrication (none) Lubrication (with)
abrasive inclusions
None Yes None Yes
Stainless steel Top chain
・For straight running
・For curved transport
Stainless D D B B
steel D C B A
Plastic rail
(P rail)
PLF rail
A × A ×
M rail
SJ-CNO
A × × ×
Plastic top chain
Plastic block chain
Plastic modular chain
(mold-to-width)
・For straight running
・For curved transport
Stainless B D A A
steel A C D D
P-rail D × A ×
PLF rail B × A ×
M rail
SJ-CNO
A × × ×
Plastic modular chain (wide)
・For straight running
・For curved transport
Stainless B D A A
steel A C B B
Plastic rail D × A ×
PLF rail B × A ×
M rail
SJ-CNO
A × × ×
  • A: Highly recommended
  • B: Recommended
  • C: Recommended among "Acceptable"
  • D: "OK"
  • ×: Inappropriate

Note)

  1. Lambda type stainless Top chain should be used without lubrication.
  2. For heat-resistant/high-speed (KV) specifications, stainless steel or steel rails should be used at room temperature, and stainless steel rails should be used at high temperatures (above 50°C).
  3. Recommended metal rail = cold-rolled material
  4. The steel rail is shown as being oil lubricated.
  Material/color Features
Plastic rail
(P rail)
  • Ultra-high molecular weight polyethylene
    (Appearance color: white or green)
  • The most common rail
  • Machined or extruded products
  • Plastic Top chain recommended for use in wet conditions
  • It has low water absorption and is also highly resistant to chemicals and impacts.
PLF rail
  • Low Friction / Anti-Wear resistance
    Ultra-high molecular weight polyethylene
    (Exterior color: white)
  • Rails with lower friction and more wear resistance than P rails
  • Machined or extruded products
M rail
SJ-CNO
  • Special Polyamide
    (M rail: exterior color: blue)
    (SJ-CNO: Exterior color: purple)
  • Rails for dry conditions only
  • Maintains wear resistance
  • Machined products

Note: Operating temperature range

  • Plastic rail (P-rail) / PLF rail: -20 to 60°C
  • M-rail SJ-CNO: -20 to 80°C
Back to Questions
Q6 How to install straight rails?
A6

When using plastic rails (Plastic rail, PLF rails, M rails) for straight tracks, please leave a gap between the rails to allow for thermal expansion. Also, please secure the rails with a screw at one point on each end.


Concave and convex (PR, PH), flat rail

  • To take into account expansion due to heat, secure the unit to the frame with a screw at one end, leaving a gap at the joint.

Gap between uneven rails: 3 to 5 mm

*Linear expansion coefficient

Plastic rail (P-rail) / (PLF-rail) 20 x 10-5 mm/mm/℃"

M rail 9×10-5 mm/mm/℃

Note)

  1. Plastic rail operating temperature range
    • Plastic rail (P-rail) and PLF rail: -20 to 60°C
    • M rail: -20 to 80°C
  2. Do not use Plastic rail in an environment where steam is present.

Long straight type (Z-type, T-type, L-type, flat extrusion rails, etc.)...For long conveyor conveyor length

  • If you are installing long, straight rails in 1m increments, please process the gaps between the rails as shown in the diagram below to prevent the chain from dropping.


Long, straight gap: Approximately 10 mm per meter


Long straight type (Z-type, T-type, L-type, flat extrusion rails, etc.)...When the conveyor conveyor length is short

  • If both ends of wearstrip are fixed with flat head screws in several places, wearstrip will become wavy due to the difference in thermal expansion coefficient between it and the frame (made of metal), so please make sure to fasten the flat head screws in only one place.


Back to Questions
Q7 What are some examples of the Ultra Low Friction / Anti-Wear (ALF) specification?
A7

There are many examples of successful applications, but here are some representative examples.

Purpose conditions Countermeasures (Model Number)

Milk carton conveying line

(In front of Casa)

*500ml/1 liter pack

  • The distance to the final process (caser) is short, and there is accumulation throughout the line.
  • Completely no-slider (to protect the paper pack, do not expose to water)

Conventional low-friction plastic chains from various manufacturers have caused rattles and tipping of conveyed items, but the TTUP826-ALF has been able to address this issue.

*TTUP type is used for 500ml and 1 liter paper carton lines.

Canned beer conveying line

(Cardboard case entrance)

1500cpm line (a line that produces 1500 cans of beer per minute)

  • Intermittent accumulation (completely dry conditions for dry transport before the caser).

Replace Standard Series RSP60 (white) with the RSP60-ALF to reduce line pressure.

500ml PET bottle conveying line

(Conveyor in front of the shrink machine)

The PET bottle line used to be dominated by 1.5 liter and 2.0 liter sizes, but now smaller volumes such as 500ml are more prevalent.

(Due to the transition from canned to PET bottles)

Therefore, the production line must be sped up in order to maintain production volume.

(Just thinking about it, 500ml needs to flow four times faster than 2.0 liters.)

TPH830P-ALF and TTUP826-ALF reduce slider force and achieve high speed (MAX 120m/min)

The 1.5-liter and 2.0-liter bottles used a free-flow type chain to reduce line pressure.

However, 500ml bottles tend to tip over when used as free-flow items.

2-liter PET bottle conveying line

(Sorting section)

  • Three-row sorting of 2-liter rectangular PET bottles (sorting at the back of the line)

Low-friction plastic chains from various manufacturers were causing bottle misalignment and rattle during sorting, but this was resolved with the TPH830P and TTP826P ALF type.

Cup container conveying line

(Accumulation conveyor)

  • Full Accumulation
  • Completely no slider (countermeasure against container rattle by pressing down from above with an upper guide)

The overseas-made resin belt uses Tsubaki Bell Top BTC6-3048-ALF.

Container rattle is prevented by the smoothness of ultra-low friction

Back to Questions
Q8 What is the corrosion resistance of the material used for Top chain?
A8

When selecting a chain, check the table below to see if the material is sufficient. This corrosion resistance can also be used to check the rail material to be used with Top chain.

Please note that this table shows the results in an atmosphere of 20°C and does not represent the degree of guarantee. When actually using the product, please comprehensively consider the temperature, operating conditions, etc. The table below lists the materials (specifications) of the top plate and chain components individually, so please check them in combination.

Reagents without a concentration indication are saturated or 100% solutions. Please note that the conditions will change if you mix solutions.

[Corrosion resistance to various liquids]

Material Note)2 liquid name
acetone Oil (plant and mineral) Alcohol (ethyl) Ammonia water (28%) whiskey Sodium chloride Hydrochloric acid (2%) sea water Hydrogen peroxide (3%) Sodium hydroxide (caustic soda) (25%) gasoline Formic acid (50%) Formic aldehyde Milk and butter Citric acid Chromic acid (5%) Acetic acid (10%) carbon tetrachloride Sodium hypochlorite (5%) Nitric acid (5%) Vinegar (vinegar) Potassium hydroxide Drinking water and coffee soapy water Lactic acid paraffin Beer fruit juice benzene water vegetable juice Iodine Sulfuric acid (5%) Phosphoric acid (10%) wine xylene ozone Peracetic acid
steel × × × × × × × × × × × × × × × × × × × × ×
Stainless 18-8 × × × ×
18Cr × × × × × ×
Martensitic × × × × × × × × × ×
AS Series × × - × × - × - -
Plastic Pin
(special engineering plastic)
× × × - × × × × - × - ×
Polypropylene (including HTW) × - - - ×
Standard Series polyacetal
(Including rubber type) Note 3
× × × × × × × × × × × ×
LF specification polyacetal
(Including rubber type) Note 4
× × × × × × × × × × × × × ×
Heat-resistant and high-speed specifications
(KV180) Note) 5
× - - × × × -
Heat-resistant and high-speed specifications
(KV250) Note) 5
× - × × × ×
Polyamide/Reinforced Polyamide
(including slit pin)
× × × × × × × × × × × × - × ×
Chemical resistant specification (Y)
(DIY included) Note 6
× × × × ×
Super chemical resistance (SY) ×
Ultra-high molecular weight polyethylene
(LTW and UPE included)
×
Heat-resistant, radiation-resistant, and vacuum-resistant
(PK150)
-
Polycarbonate Note) 9/10 × × × - × - × - × × × × - × × × × × × × × × - × - × × - × - -

Note)

  1. "○": Sufficient corrosion resistance, "△": Corrosion resistance exists depending on the conditions of use, "×": No corrosion resistance, "-": Unknown.
  2. Please check two things: the chain body material and the pin material.
  3. Applicable to: Standard Series, Low Friction / Anti-Wear (CB) specifications, ultra-Low Friction / Anti-Wear (ALF) specifications, low friction (WR) specifications, conductive (E) specifications, ultraviolet resistant (UVR) specifications, and food transport (PFS) specifications.
  4. Applicable to: Low Friction / Anti-Wear (LFW, LFG, LFB) specifications, low friction (NLF) specifications, Low Friction / Anti-Wear (HG) specifications, antibacterial and antifungal (MWS) specifications.
  5. Target: Heat-resistant and high-speed (KV) specifications also take into consideration the corrosion resistance of stainless steel pin types.
  6. The chemical resistant (Y) specification also takes into consideration the corrosion resistance of the stainless steel pin type.
  7. Do not use the heat-resistant/high-speed (KV150) specification, high-speed (HS) specification, impact-resistant (DIA) specification, metal detection (MPD) specification, or medium friction (MF) specification in conditions where they may come into contact with liquids such as detergents or chemicals. Please contact us if you have any requests or questions.
  8. Please contact us for information on corrosion resistance of metal detection (MPW) specifications.
  9. Do not clean the chain with anything other than water.
  10. Do not clean the chain with detergents, organic solvents, acids, alkalis, etc. Also, do not use the chain in places where it may come into contact with such chemicals.
    Chemical cracks may occur and cause the chain to break.
Back to Questions
Q9 What is the conveyor design for Plastic top chain and Plastic block chain?
A9

With plastic chains, the chain should generally be supported by a rail on the transport side, and there should be some slack in the chain on the return side. Slack below the drive sprocket is particularly important. A span of 500 to 900 mm and 50 to 100 mm of slack (during operation) should be maintained. If the slack is outside this range, the chain may skip teeth.


The layout of guide channel will vary depending on the installation space, but an example is shown in the diagram below. For the layout on the return side, please refer to Q.8.

Chain slack

The intervals between the return rollers that receive return-way chain should be 500 to 900mm, with 50 to 100mm of slack in the chain between the return rollers. This slack prevents tooth skipping. If the interval or amount of slack is outside this range, tooth skipping may occur.

Meshing angle

The "engagement angle" between the drive sprocket and chain should be 150° or more.

Rail End

Leave a distance of one chain pitch from the drive and driven rail ends to the center of each shaft. Also, bend or chamfer the driven rail end to prevent the chain from getting caught on the rail.

Height of conveying side wearstrip

Please refer to the catalog technical notes, conveyor design, and rail installation on the drive and driven sides.

Back to Questions
Q10 Layout of the return side of Top chain and Plastic block chain
A10

The most common layout is the recommended method of supporting the chain with return rollers. This method is recommended because it allows for appropriate chain slack and can absorb chain elongation. Furthermore, if a chain with float-preventive tabs is used, a method using the sliding attachment can also be applied. However, please consider installing a mechanism (tensioner, etc.) to absorb chain elongation.
Other methods include a method supported by rails, a method supported by sliding shoes, a method using only guide channel, and a method with no support on the return side. Please note that with a method that does not support the return side, vibrations on the return side can affect the conveying surface, making conveyance uneven.


The layout on the return side will vary depending on the type of chain, type and format of the transported material, route, etc., but a typical layout is shown below.


[Click to enlarge]

Return roller receiving method

This is the most common and recommended layout.

  • Make sure the chain wrap angle around the sprocket is 150° or more.
  • Pay attention to the rotation of the return roller. If the return roller is difficult to rotate, localized sliding may occur, generating Wear debris and causing uneven wear on the top plate.
    We recommend using high rotation return rollers or return rollers with bearings.
  • If the chain speed is 50 m/min or higher, dimension C must be 300 mm or less.

A: 50 to 100 mm (during operation)
B: 500 to 900 mm
C: 400-600mm
D: Sprocket outer diameter/2 or less
*This may vary depending on the chain type and transport conditions. Please consider this as a guideline.


*Please refer to the catalog technical notes for details.


[Click to enlarge]

Sliding attachment method

By using the anti-floating attachment, sliding on the top surface of the top plate can be eliminated. It is particularly suitable for transport conditions where scratches on the top surface of the top plate must be avoided.

  • Make sure the chain wrap angle around the sprocket is 150° or more.

A: 50 to 100 mm (during operation)
B: 500 to 900 mm
*This may vary depending on the chain type and transport conditions. Please consider this as a guideline.


*Please refer to the catalog technical notes for details.


[Click to enlarge]

Rail support system

If only a specific part of the top plate is supported, uneven wear may occur. Install the rail in a figure eight or wave shape so that it contacts the entire top plate, and create a structure that allows foreign objects to easily fall off.

  • Make sure the chain wrap angle around the sprocket is 150° or more.

A: 50 to 100 mm (during operation)
B: 500 to 900 mm
*This may vary depending on the chain type and transport conditions. Please consider this as a guideline.


*Please refer to the catalog technical notes for details.


[Click to enlarge]

Sliding shoe support system

Suitable for relatively slow speed conveyance (50m/min or less).
Generally suitable for accumulation chains (TTPDH-LBP) and roller tables (ST, RT).

  • Make sure the chain wrap angle around the sprocket is 150° or more.

A: 50 to 100 mm (during operation)
B: 500 to 900 mm
C: 400-600mm
*This may vary depending on the chain type and transport conditions. Please consider this as a guideline.


*Please refer to the catalog technical notes for details.


[Click to enlarge]

Method using only guide channel

This is a rational layout, but it has the disadvantage that the top surface of the top plate may be scratched due to sliding. It is suitable for chains with a relatively large back bend radius.

  • Make sure the chain wrap angle around the sprocket is 150° or more.
  • The bending radius at both ends of guide channel must be equal to or greater than the back bend radius of the chain.
  • *Please refer to the catalog technical notes for details.

A: 50 to 100 mm (during operation)
B: 500 to 900 mm
*This may vary depending on the chain type and transport conditions. Please consider this as a guideline.


[Click to enlarge]

No support on the return side

The tension caused by the mass of the chain on the return side can cause vibration, which can make conveying uneven.If this method is unavoidable for a short conveyor conveyor length (1.5m or less), install a take-up mechanism on the driven side, or cut and connect and splice the chain when it stretches, and ensure that the chain wrap angle around the sprocket is 150° or more.

  • Chain slack A should be approximately 10% of conveyor conveyor length B.
Back to Questions
Q11 Conveyors using corner discs
A11

For chains with a small bending radius (minimum bending radius (R190 or less)), corner discs should be installed when manufacturing a conveyor with a small bending radius. Install the shaft at the center of the bending radius and install corner discs on the conveying side and return side.


Curved section using corner discs for TPUSR chains

(Explanation of symbols)

  • R: Chain side bending radius (mm)
  • R1: Corner disc outer radius (mm)
  • R2: Inner radius of outer chain rail (mm)
  • R3: Inner circumference of conveyor frame for fixing outer rail (mm)

For conveyors that use return rollers to support the return straight section, be sure to install return rollers at the entrance and exit of corners to provide guidance, as shown in the diagram below.

Note: It is recommended to use in a dry environment.

Back to Questions
Q12 What is the conveyor design for Plastic Crescent Chain?
A12

Plastic Crescent Chain is a chain that can be used for horizontal conveyance. For TORP (with rollers) types, guide the corners with sprockets or rails. For TOSP (without rollers) types, use sprockets at the corners. Furthermore, for horizontal conveyors, a take-up mechanism is required to absorb chain elongation due to wear and temperature changes. Failure to do so may result in tooth skipping and other problems with conveyance.


Guide channel placement

This may vary depending on the space available, but please refer to the example below.


Rail installation example ①…TOSP1143 + corner sprockets used


[Click to enlarge]

Rail installation example ②…When using TORP1143 + corner sprockets


[Click to enlarge]

Rail installation example 3…TORP1143 + curved corner rails


[Click to enlarge]


Conveyor layout considerations

Be sure to install a take-up mechanism to absorb stretching due to wear on the conveyor and temperature changes. See the example below.

Back to Questions
Q13 How do I disassemble and assemble Plastic top chain and Plastic block chain?
A13

The joint pins differ depending on the type. Please use a punch and hammer to disassemble and cut/splice according to the shape of the joint pin. Only Plastic Crescent Chain have a unique structure. Please see below.


The joint pin is a D-pin type (excluding TPUN555)

The chain can be disassembled from any point, and the pins can be inserted and removed from either the left or right side.

The joint pin is a knurled pin type

When disassembling, use a punch on the end without knurling to remove the part. When reconnecting, use a punch on the end with knurling to reconnect the part.
(Only for TTPDH and TTPDH-LBP, the knurled side will remain in the same direction even when reconnected.)

TN、TNU、TRU、TP-1873G、TP-1873T、TP-1843G

The pin and one side of the outer plate at the joint are loose-fitting. If you are disassembling the link at a location other than the joint, use a chain vise or similar tool to remove the pair of pins parallel to one another. Please note that links disassembled at locations other than the joint cannot be reused.

The joint pin is a D-pin type (excluding TPUN555)

The pin can be inserted in one direction.
Use a punch to press against the end face of the pin on the opposite side to the insertion direction and remove it.

Plastic Crescent Chain

1. Remove the snap pin from the coupling pin and remove the offset link.

2. Rotate the offset link 90 degrees.

3. Remove the connecting pin along with the main link from the previous link.

Caution: When disassembling, do not remove the coupling pin from the main link.

Back to Questions
Q14 What precautions should I take when using plastic pins on Plastic top chain and Plastic block chain?
A14

Do not reuse pins that have been removed, as this will reduce the interlocking force and cause problems with the pin coming out. The splicing pin is orange in color to distinguish it from the main pin (white). One splicing pin is included with each chain, so please use it when splicing.
Do not use in wet conditions where the temperature exceeds 60°C, as this may damage the pins.

Back to Questions
Q15 Can Plastic top chain and Plastic block chain be operated forward and backward?
A15

Since the direction of travel of Plastic top chain and Plastic block chain is fixed, forward and reverse operation is not recommended. If forward and reverse operation is required, please consider using Plastic modular chain.

Back to Questions
Q16 How should straight running TTP, TPF, TPS, and TPH be used?
A16

Please see the table below for how to use TTP for straight running, TPF, TPS, and TPH.

Model TTP type TPF type TPS type TPH type

Exterior

TTP TPF TPS TPH

Features

  • World standard shape
  • Higher allowable tension than TTP type
  • Higher allowable tension than TTP type
  • The same sprockets as the TTUP and TPU types can be used
  • Can be directly replaced with a TPS type conveyor
  • A comb-tooth plate is used to reduce the gap between the front and rear links.
  • Many holes are placed on the plate

Application example

  • Can be used for various purposes such as cans and plastic bottles
  • Conditions where more tension is applied
  • Conditions where greater tension load is applied, such as when conveyor length is long or during high-speed transport
  • Conveying unstable containers such as plastic bottles and dessert cups
  • Effective for removing excess lubricant and water remaining on the top surface of the plate

remarks

  • TTP type sprockets can be used with TT type stainless Top chain (TT type sprockets cannot be used with TTP type).
  • The same thickness (3.2mm) as the TT and TTU types of stainless Top chain allows for replacement of the TT type and sharing with the TT and TTU types.
  • The integrated hinge structure increases the bearing area and achieves high allowable tension.
  • The three basic dimensions are the same as the TTUP and TPU types, so the same sprockets can be used.
    Due to the above features, it has been adopted by major set manufacturers and beverage factories.
  • The three basic dimensions are the same as the TPS type, so the same sprocket can be used.
    (However, the hinge part has a multi-hinge structure.)
  • The TPS type conveyor can be replaced as is.
Back to Questions
Q17 What is the difference between TTUP and TPU for curved transport?
A17

Please see the table below for the use of TTUP and TPU for curved transport.

Model TTUP type TPU type
Includes float-preventive tabs
remarks

Exterior

TTUP TPU
1. Elevating conveyor

The TPU type has an anti-floating attachment that can prevent the chain from floating up in areas where it is prone to floating up.

Elevating conveyor

2. 3D conveyors (canning manufacturers, etc.)
The anti-floating attachment is effective for layouts with "ascending/descending" plus "curves." It can also be used for complex layouts where the attachment part is fixed with a rail.
3. Placing food directly on the plate

When transporting food, the most important thing to remember is to make sure that the top surface of the plate does not come into contact with anything other than the food being transported.

The TPU type has guide channel that supports the return chain's anti-floating attachment, reducing sliding between the top of the plate and anything other than the transported item.

Features

  • Standard type of curved conveyor Plastic top chain. Simple structure and easy cleaning.
  • The same sprockets as the TPS and TPU types can be used, allowing for common parts.
  • Curved chain with float-preventive tabs (tab). Prevents lifting at corners and on ascending and descending conveyors, as well as scratches on the top surface of the plate on return-way
  • The same sprockets as the TPS and TTUP types can be used, allowing for common parts.

Application example

  • For corners with a minimum side bending radius of R600 or more, basically one corner per conveyor length
  • Equipped with anti-floating attachments (tabs), it can handle a minimum side bending radius of R500. It is also more stable than the TTUP type at high speeds and in dry conditions. Also, when there are S-curves or multiple corners in one conveyor length, the TTUP type may cause the chain to float, so the TPU type is more effective.
Back to Questions
Q18 What are the uses of Plastic modular chain?
A18

If you want to minimize transfer gaps between conveyors, we recommend the WT1500 series, BTN5, BT6, BTC4-M, and TOD types, which have smaller chain pitches. For general-purpose applications, we recommend the BT8, WT2250, WT2706, WT3835, and WT300 series. For load-bearing applications or heavy object transport, we recommend the WT2500 series and BTH16. For eliminating gaps at transfer points, we recommend the WT1907, 3827, and 5707 series. For inclined transport of metal trays or parts (to prevent slippage), we recommend the BTM8H and BTM8H-M, which have built-in magnets. We also recommend the WT2525 for transporting cardboard sheets, etc. For inclined transport, we recommend the WT2250 series with flights or rubber.

Back to Questions
Q19 How do I disassemble and assemble Plastic modular chain?
A19

The structure varies depending on the chain series, so please refer to the information below.


■Structure and disassembly/connection of BTN5, BT6, and BT8 series

Structure of both ends of the chain

To prevent the pins from coming loose at both ends of the chain, snap attachments are inserted from the back of the links (snap fit).


[Click to enlarge]

Disassembly/connection instructions

1. Insert a thin flat-head screwdriver into the gap (approximately 1 mm) between the link hole and the snap attachment to remove the snap attachment.


[Click to enlarge]

②Turn the screwdriver to bite into the center hole (φ1.0) of the pin, pull out the pin and disassemble the chain.


[Click to enlarge]

3. When connecting chains, pull the ends of the chain together and insert the pin into one end. Insert the snap attachment into the back of the chain.
At this time, make sure that the snap attachment does not protrude from the underside of the link.

 

■ Disassembly of the WT1500/3000 series

1. Insert a thin, flat-head screwdriver or similar tool between the plug on the side of the chain and the chain.


[Click to enlarge]

② Use a lever to remove the plug from the main body, being careful not to let the plug fly off.


[Click to enlarge]

③ Rotate the screwdriver with the thread to insert it into the center hole (φ1) of the pin, then pull out the pin and disassemble the chain.


[Click to enlarge]

■ WT1500/3000 series connection

①When connecting chains, pull the chains together and insert a pin into one end.


[Click to enlarge]

② Next, insert the plug to close the pin insertion section. When doing so, be careful of the orientation of the plug (so that the protrusion is in the pin hole) and press it in until you hear a click.


[Click to enlarge]

3) Check that the plug is installed correctly.


[Click to enlarge]

Note: When connecting, please use the included or dedicated pins.


■ Disassembly of WT2500 series and BTM8H series

1. Insert a thin, flat-head screwdriver or similar tool into the plug hole on the side of the chain.


[Click to enlarge]

② Push the flathead screwdriver in the direction of the arrow and slide the plug.


[Click to enlarge]

③ Rotate the screwdriver with the thread to insert it into the center hole (φ1) of the pin, then pull out the pin and disassemble the chain.


[Click to enlarge]

*BTM8-M type is different.


■ WT2500 series and BTM8H series combination

①When connecting chains, pull the chains together and insert a pin into one end.


[Click to enlarge]

②Next, slide the plug to close the pin insertion section.


[Click to enlarge]

*BTM8-M type is different.

Note: When connecting, please use the included or dedicated pins.


■ Disassembly of the WT3800 series

1. Insert a thin, flat-head screwdriver or similar tool between the plug on the side of the chain and the chain.


[Click to enlarge]

② Push the flathead screwdriver in the direction of the arrow and slide the plug.


[Click to enlarge]

③ Rotate the screwdriver with the thread to insert it into the center hole (φ1) of the pin, then pull out the pin and disassemble the chain.


[Click to enlarge]

■ WT3800 series connection

①When connecting chains, pull the chains together and insert a pin into one end.


[Click to enlarge]

②Next, slide the plug to close the pin insertion section.


[Click to enlarge]

Note: When connecting, please use the included or dedicated pins.


■ Disassembly and connection of BTC4-M and BTO8-M types

① During disassembly

- Place a punch (φ2.5 or less) on the side of the D-pin on the D-hole side of the link and lightly hit it with a hammer to remove the pin.

- Alternatively, you can remove the pin from the stopper side using a thin flat-head screwdriver.


[Click to enlarge]

②When connecting

- Please use the dedicated connecting D-pin (color: orange).

- Check the insertion direction of the D-pin and insert the pin into the link.

- Press the stopper side of the D-pin with your finger or lightly hit it with a hammer.

③When re-cutting and connecting

- Do not cut and connect the connecting D-pin (color: orange) that has already been inserted.


*About connecting D-pins

①When connecting, please use the dedicated connecting D-pin.

②The connecting D-pins are orange to distinguish them from the main pins (white).

③One connecting D-pin is included with each chain.


■WT2250, BTC8S series structure and disassembly/connection

Structure of both ends of the chain

To prevent the pins from coming loose at both ends of the chain, snap attachments are inserted from the back of the links (snap fit).


[Click to enlarge]

Disassembly/connection instructions

1. Insert a thin flat-head screwdriver into the gap (approximately 1 mm) between the link hole and the snap attachment to remove the snap attachment.


[Click to enlarge]

②Turn the screwdriver to bite into the center hole (φ1.0) of the pin, pull out the pin and disassemble the chain.


[Click to enlarge]

3. When connecting chains, pull the ends of the chain together and insert the pin into one end. Insert the snap attachment into the back of the chain.
At this time, make sure that the snap attachment does not protrude from the underside of the link.


[Click to enlarge]


[Click to enlarge]

Back to Questions
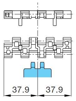
Q20 How to install the sprocket?
A20

Please note that for wide Plastic modular chain, the number and installation position of sprockets will vary depending on the chain width and tension load rate. Also, to accommodate dimensional changes caused by expansion and contraction of the chain width due to temperature changes, the square and hexagonal holes of the sprockets are made larger than the shaft, allowing for lateral movement.


Determining the sprocket mounting pitch

The sprocket mounting pitch diagram for each chain is shown below. Check what percentage of the chain's allowable tension (MAX per 1m width) the tension F' converted into per 1m of chain width obtained using formula (2) is. Please note that this may change depending on the chain tension load factor F1.

Calculation of tension load factor F1 (%)


F'... Chain width converted capacity kN/m {kgf/m} calculated using formula (2)
A... Chain width 1m conversion capacity kN {kgf} at each operating temperature
Please refer to the chain Allowable load graph.

Wide Type

1. BTN5, BTN5-A (pitch = 15 mm) 2. WT1505-K, WT1505G-K, WT1506-K


[Click to enlarge]


*For BTN5-A (with anti-snake attachment), 24T sprockets cannot be used. Please use 32T sprockets.


[Click to enlarge]

3. WT1505GTO-K 4. WT2505-K, WT2506-K, BTM8H


[Click to enlarge]


[Click to enlarge]

5. WT3005-K/WT3005G-K 6. WT3086-K/WT3086G-K


[Click to enlarge]


[Click to enlarge]

7. BT6 (pitch = 19.05 mm), BTC8,
BTC8-A (pitch = 25.4 mm) / Sprocket mounting pitch

Sprocket mounting pitch when tension load factor (F1) is 50% or less

8. BT6 (pitch = 19.05 mm), BTC8 (pitch = 25.4 mm) / Sprocket mounting pitch

Sprocket mounting pitch when tension load rate (F1) exceeds 50%


[Click to enlarge]


[Click to enlarge]

9. BTC8-A (pitch = 25.4 mm) / Sprocket mounting pitch

Sprocket mounting pitch when tension load rate (F1) exceeds 50%

10. WT3816K


[Click to enlarge]


[Click to enlarge]

11. WT2250FT, FG 12. BTC8S


[Click to enlarge]


[Click to enlarge]


Mold-to-width type

1. BTC4-500-M
(Pitch = 12.7 mm)

2. BTO8-830-M
(Pitch = 25.4 mm)

3. BTC8H-M/BTM8H-M 4. WT1505G-M300


[Click to enlarge]


[Click to enlarge]


[Click to enlarge]


[Click to enlarge]

5. WT1505GTO-M300 6. WT1505GTO-M600 7. WT1505TOD-M450L 8. WT2505-M325/G-M325


[Click to enlarge]


[Click to enlarge]


[Click to enlarge]


[Click to enlarge]

9. WT2505-M450/G-M450 10. WT2505TOD-M450R 11. WT2505TOD-M750R 12. WT3005G-M300


[Click to enlarge]


[Click to enlarge]


[Click to enlarge]


[Click to enlarge]

13. WT3005G-M450 14. WT3086G-M85 15. WT1515G-M50  


[Click to enlarge]


[Click to enlarge]


[Click to enlarge]

 


Handling sprockets

For drive and driven shafts used with Plastic modular chain, square shafts are generally recommended, with the exception of special cases (mold-to-width types, perpendicular to TOD, etc.). Chains expand and contract with temperature changes, so sprockets should be installed so they can move freely laterally in the width direction. However, to prevent the chain from meandering, one (or two) sprockets should be secured in the center of both the drive and driven shafts with a set screw, set collar, or hex socket bolt. When installing sprockets on square shafts, use stamping and marks as a guide to ensure consistent orientation and tooth positioning.


■ Sprocket phase alignment

Please install it on the shaft by aligning stamping and marks.

  
[Click to enlarge]

■ Chain expansion and contraction

Plastic modular chain are made of resin, so they expand and contract with temperature changes. The linear expansion coefficient of the chain is approximately 15 x10 -5 (/℃) at 20℃. The amount of expansion of the nominal width (⊿W) can be calculated using the formula below.


⊿W = Chain nominal width x (ambient temperature - 20) x 15 x 10-5

(Example) When using a K60 (1524mm) chain in an environment where the temperature rises from 20°C to 60°C

⊿W=1524×(60-20)×15×10-5=9.1mm

■ Fixing the sprocket

The sprockets are loosely fitted to the shaft to absorb differences in thermal expansion between the chain and conveyor, and installation errors between the chain and sprocket. However, to prevent the chain from meandering, a gap of approximately 0.5 mm (1.6 mm for WT) is left on both sides of one sprocket near the center, and set screws, hex socket bolts, and set collars are attached.


[Click to enlarge]

*When using a chain with anti-snake tabs, be sure to secure the sprockets installed between the anti-snake attachments.

■ Chain installation

Match the sprocket pitch to the specified mounting pitch (see the selection section) and wind the chain around it.

*If the sprocket mounting pitch is not correct, the chain may ride up onto the sprocket and be damaged. Please check carefully.

Back to Questions
Q21 What is the conveyor design for Plastic modular chain?
A21

With Plastic modular chain, the chain should generally be supported by a rail on the transport side, and some slack should be provided on the return side. Slack below the drive sprocket is particularly important. A span of 500 to 1000 mm (depending on the chain type and tension load rate) and 50 to 100 mm of slack (during operation) should be maintained. If the slack is outside this range, the chain may skip teeth.
The rail installation on the conveying surface side differs depending on the wide type, whether it has a meandering prevention tab, and mold-to-width type.


Guide channel placement

The layout of guide channel will vary depending on the installation space, but an example is shown in the diagram below.

*Please chamfer the rails and frame end faces of the drive sprocket to prevent interference.


[Click to enlarge]

Chain slack

Refer to Table 1 below for the distance L between the return rollers that receive return-way chain under the drive sprocket, and leave 50 to 100 mm of slack in the chain between the return rollers. This slack prevents tooth skipping. Tooth skipping may occur if the slack is outside this range.

Return roller spacing L (unit: mm)
Chain type Tension load factor (F1)
When it is below 50% When it exceeds 50%
BT6, BT8 500~700 800~1000
WT2250, BTC8S 600~900
WT1500, 2500, 3000, 3800 450~500

Note)

1. For mold-to-width types, please refer to the catalog technical notes when designing.

2. Please contact us regarding special conveyors such as pasteurizers.

3. Please refer to the catalog technical notes for installation of the nose bars on both ends.


Meshing angle

The meshing angle between the drive sprocket and chain must be 180° or more. If the angle is too small, teeth may skip.


Rail End

The distance C between the sprocket and the rail end should be one basic chain pitch. The driven side rail end should be bent or chamfered to prevent the chain from getting caught on the rail.


Position of sprocket and rail

Please refer to the diagram below.


[Click to enlarge]


Rail installation example (at room temperature)

Wide type (without anti-snake tab)

Place the rails and sprockets alternately at equal intervals. Rail interval A is 76mm for BTN, 76.2mm for BT6, BT8, WT1500, WT3005, BTC8S, 76.2mm (rail width 25mm) for WT2500, 85mm for WT3086, WT2250, and 100mm (rail width 30mm) for WT3816.


[Click to enlarge]


Wide type (with anti-snake tab)

(Chains with anti-snake tabs: BTN5-A, WT1505GK, WT1505GTOK, WT3005GK, WT3086GK)

Install the anti-snake tab so that it does not interfere with the rail.


[Click to enlarge]

A dimension list
Chain A(mm) Chain A(mm)
WT1505G 44 BTC8-A 44
WT1505GTO 47 WT3005G 44
BTN5-A 44 WT3086G 44

mold-to-width type (with anti-snake tab)

For guide clearance of guided chains, refer to the table below. When using multiple strand, leave a gap of about 1 mm between the chains.

Chain A(mm)
WT1505GM44
WT1505GTOM47
WT1505TOD53
WT1515GM31
WT2505GM45
WT2505TOD45
WT3005GM44
WT3086GM44
BTO8-M44
BTC8H-M44
BTM8H-M44


[Click to enlarge]

Back to Questions
Q22 Layout of the return side of Plastic modular chain
A22

The most common layout is the return roller support system, which is recommended because it allows for appropriate chain slack and can absorb chain elongation. If the chain has flights, it is necessary to ensure that the flights do not interfere with the rollers.
There is also a method of receiving the train on rails.


Conveyor Layout

There are various methods for receiving on the return side, such as "receiving on a return roller" or "receiving on a rail." Examples are shown below.

*Notes

1. Please be especially careful when transferring via TOD etc. at end.

2. The entrance of the return rail should have a large radius of R40 or more.

3. Chains expand and contract due to temperature changes, so cut the chain so that there is an appropriate amount of slack in the catenary section and adjust it using a tensioner or similar.


Return roller receiving method

Conveyor side


For L dimensions, refer to the catalog technical notes.
[Click to enlarge]

Conveyor Plane


[Click to enlarge]

Adjust the roller installation interval (conveyor width direction) to match the width of the chain being used.


Rail support system

Conveyor side


For L dimensions, refer to the catalog technical notes.
[Click to enlarge]


Return side of flight chain

On the return side of a chain with flights or rubber, install it as shown in the diagram below so that the flights do not interfere with rollers, etc.


[Click to enlarge]

*For wide chains, install rollers at 765mm intervals.

Back to Questions
Q23 Is forward and reverse operation possible with Plastic modular chain?
A23

Forward and reverse operation is possible with Plastic modular chain. Please refer to the example below for forward and reverse operation.



[Click to enlarge]

In forward/reverse bottom drive, the idler roller is subjected to a load approximately 1.5 times the operating tension, so for wide conveyors (over 1m), select a shaft with sufficient rigidity or make sure the shaft is supported at three or more points.

Back to Questions
Q24 I would like to manufacture a conveyor with a small transfer section.
A24

If you want to make the transfer area smaller, you can do so by using a nose bar. Also, please note that the transfer area can be made smaller with the BTC4-M.


Nose bar in-line layout

The layout of guide channel will vary depending on the installation space, but an example is shown in the diagram below.


[Click to enlarge]

*The dimensions in the diagram above are for reference only. Please make fine adjustments depending on the transfer status of the transported items.

*Depending on the shape of the transported item (unstable), even a slight jerk of the chain may cause a malfunction.
Please contact us if you need to transport such items.



[Click to enlarge]

By using the WT1500 series or BTN5, it is possible to in-line conveyors in a straight butt joint. The dead plate used at in-line can be narrowed to 20 mm.

Note)

1. *The part marked with an asterisk (*) may require adjustment depending on the type of item being transported.

2. Only the WT1500 series and BTN5 chains are compatible. The WT1505G type is not compatible.


BTC4-M type in-line layout

In the case of a straight line transfer with a 10T sprocket


[Click to enlarge]


In the case of a straight line transfer with a φ18 shaft


[Click to enlarge]

Note) Adjust the dead plate level slightly depending on the transfer status of the transported items.

Back to Questions
Q25 I want to eliminate residual transported items on a cross conveyor.
A25

We recommend using a chain with the transfer section integrated into one unit (TOD type, GTO type). Please refer to the layout etc. below.


Orthogonal transport layout

By combining with WT1505TOD/GTO or WT2505TOD, dead plates become unnecessary and orthogonal transport of transported items becomes possible.


[Click to enlarge]



[Click to enlarge]


The installation dimensions for each chain are shown below.

Insertion transport (WT1505TOD/WT1500)


[Click to enlarge]

Number of teeth Dimensions (mm)
DP D H L1 * L2 *
24 114.9 61.4 62.2 103.9 10.4
32 153.0 80.5 81.3 104.9 11.4
33 157.8 82.9 83.7 105.0 11.5

Note) * indicates adjustment is required depending on the transported items.


Insertion transport (WT2505TOD/WT2500)

■WT2505TOD-M450


[Click to enlarge]

Number of teeth Dimensions (mm)
DP D H
16 130.2 71.4 72.1
18 146.3 79.5 80.3
21 170.4 91.6 92.5
31 251.1 131.8 132.6

Note) * indicates adjustment is required depending on the transported items.


■WT2505TOD-M750


[Click to enlarge]

Number of teeth Dimensions (mm)
DP D H
16 130.2 71.4 72.1
18 146.3 79.5 80.3
21 170.4 91.6 92.5
31 251.1 131.8 132.6

Note) * indicates adjustment is required depending on the transported items.


Discharge conveyance (WT1505GTO/WT1500)


[Click to enlarge]

Note) * indicates adjustment is required depending on the transported items.


By using our nose bars and GTO/TOD type chains, smooth 90° angle changes in conveyance are possible without the use of dead plates that are normally required.


Orthogonal transport between WT1500 and WT1505G

Insertion transport (WT1500/WT1505G/WT1515G)


[Click to enlarge]

Note) * indicates adjustment is required depending on the transported items.


Discharge conveyance (WT1500/WT1505G/WT1515G)


[Click to enlarge]

Note) * indicates adjustment is required depending on the transported items.

Back to Questions
Q26 [Plastic modular chain] What sprockets can be used with chains that have float-preventive tabs?
A26

■WT1515T-FW and WT1516T-FW chains with float-preventive tabs

Usable sprockets WT-SW1500-24T, WT-SW1500-32T, WT-SW1500-33T

*It can be used because there is no interference between float-preventive tabs and the shaft.


■Conceptual image

  
[Click to enlarge]

■Molded sprocket

  
[Click to enlarge]

■Processed sprockets

  
[Click to enlarge]

Unusable sprocket WT-N1500-12T, WT-N1500-18T

*Please refer to the diagram and explanation below for the reason.


■WT-N1500-12T

float-preventive tabs and key part
Cannot be used due to interference

  
[Click to enlarge]

■WT-N1500-18T

There is no interference between float-preventive tabs and the square shaft,
Cannot be used due to small guide clearance

  
[Click to enlarge]

Back to Questions