A miniature chain created with the prestige of Tsubaki, Epsilon Chain stainless steel specification
Are you having trouble transmitting power in extremely small spaces?
The "Epsilon Chain Stainless Steel Specification" makes it possible to achieve compact size and high performance.
"Epsilon Chain Stainlesss Steel Specification" is a roller chain that has been made into the world's smallest size through precision parts manufacturing and assembly techniques.
Have you ever wanted to use roller chains for their reliable power transmission, positioning accuracy, and compact flexibility, but decided against it due to space constraints?
The "Epsilon Chain Stainless Steel Specification" can accommodate compact layouts where power transmission using chains was previously not possible.
Of course, it is also possible to reduce the size of conventional chains, which contributes to the miniaturization of applications.
↑ Play video
Epsilon Chain Stainless Steel Specifications
Three Values
1. The world's smallest size
The world's smallest roller chain with a chain pitch of 1.905mm.
The height, overall width and mass are also different from conventional products, allowing for transmission in an incredibly small space.
2.Ensure sufficient strength
Although the chain is small, it has a tensile strength of 0.36kN.
Tsubaki has generously utilized its core technology to create a small yet strong, high-spec chain.
Generally, small chains are bushed chain without rollers, but we have chosen a structure with rollers.
This contributes to extending the life of sprockets and other peripheral parts.
3. Suitable for corrosive environments
We use stainless steel as the material so that it can be used for a long time in a variety of environments.
It can be used in environments where water is present, such as when cleaning.
Comparison with small transmission parts
By achieving the world's smallest size, it can be used in applications where conventional chains are unsuitable, and can also be used as a replacement for belts and wires.
Chain Strengths
- Reliable power transmission
Unlike power transmission through friction, meshing transmission prevents slippage. - Can be used for extrusion applications
Its high rigidity means it is less likely to bend even during forward and reverse motion. - Compact bend
Unlike the core wire of wire ropes or belts, there is no risk of deformation or breakage due to bending.
|
Epsilon
|
Small pitch
|
Small diameter
|
|
|---|---|---|---|
| compact | ◎ | △ | △ |
| Tensile strength | ○ | - | ◎ |
| Positioning accuracy |
○ | ◎ | X |
| Extrusion Purpose |
○ | X | X |
| installation tension setting |
○(unnecessary) | X(required) | - |
The "Epsilon Chain Stainless Steel Specification" can be wrapped compactly and can be used even in narrow and intricate layouts.
Pulleys that carry toothed belts or wire ropes require flanges to prevent them from falling off, which increases the space required in the direction of the pitch circle diameter.
Application example
Downsizing the chain allows for smaller and lighter applications.
In addition, reduced backlash is expected to improve operation accuracy.
Control unit of endoscope device
Other applications
End Effector
Crop harvesting robot
Assist Suit
prosthetic arm
Specification
Product name
Epsilon Chain Stainless Steel Specification
Specifications
| Product name | pitch P |
Roller diameter R |
Inner link Inner width W |
Plate | ||
|---|---|---|---|---|---|---|
| Thickness T |
width H |
width h |
||||
| RS6-ESS-1 | 1.905 | 1.19 | 1.27 | 0.25 | 1.81 | 1.56 |
| Pin | Minimum Tensile Strength kN{kgf} |
Approximate Mass kg/m |
1 unit of Number of links |
||
|---|---|---|---|---|---|
| Diameter D | L1 | L2 | |||
| 0.596 | 1.4 | 2.1 | 0.36 {37} |
0.017 | 532 |
Model number display example
| RS6 | - | ESS | - | 1 | - | RP | + | 151L | - | RR |
| size | Specification | No. of strands | Main unit pin format |
Number of links | end symbol |
|||||
Note)
- 1 This product is a very small chain, and there are many differences in handling compared to conventional size chains. Some of the information published in the technical notes of Drive chain & Sprocket Catalog and technical data on TSUBAKI Power Transmission Products Information Site do not apply to this product, so please contact us regarding selection and handling.
- 2 There is no stamping on the plate.
- 3 The pins are not riveted.
- 4. We do not recommend using connecting links as they are not easy to install.
- 5. There is no offset link.
- 6 Longer trains exceeding one unit are not supported.
- 7. In the case of an even number of links, outer links are used to form an endless formation. (Connecting links are not used.) However, if there are less than 80 links, connecting links are used to form an endless formation. Please contact us regarding endless formation. In the case of an odd number of links, Inner link are used on both ends.
If you require a configuration other than those listed above, please contact us.
series
Epsilon Chain Stainless Steel Specifications
sprocket
Specifications
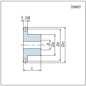
| Model number | Number of teeth | Pitch circle diameter D P |
Outer diameter Do |
Shaft Hole Diameter d |
Hub | Estimated mass g |
|
|---|---|---|---|---|---|---|---|
| diameter D H |
length L |
||||||
| RS6-1B9T-ESS | 9 | 5.57 | 6.3 | 2 | 3 | 3.5 | 0.2 |
| RS6-1B15T-ESS | 15 | 9.16 | 10.1 | 2 | 6 | 5 | 1.4 |
| RS6-1B21T-ESS | 21 | 12.78 | 13.7 | 4 | 10 | 6 | 3.1 |
Note)
- 1 The minimum number of teeth is 9. We are also happy to consider manufacturing specifications other than those listed above, so please contact us.
- 2.The shaft bore is finished.Please contact us for details regarding the method of locking to the shaft, as we will consider your request on a case-by-case basis.
- 3 Surface treatments that improve wear resistance are also available. Please contact us for more information.