technical data linear actuator Power Cylinder Motor Specifications
Wiring (U series)
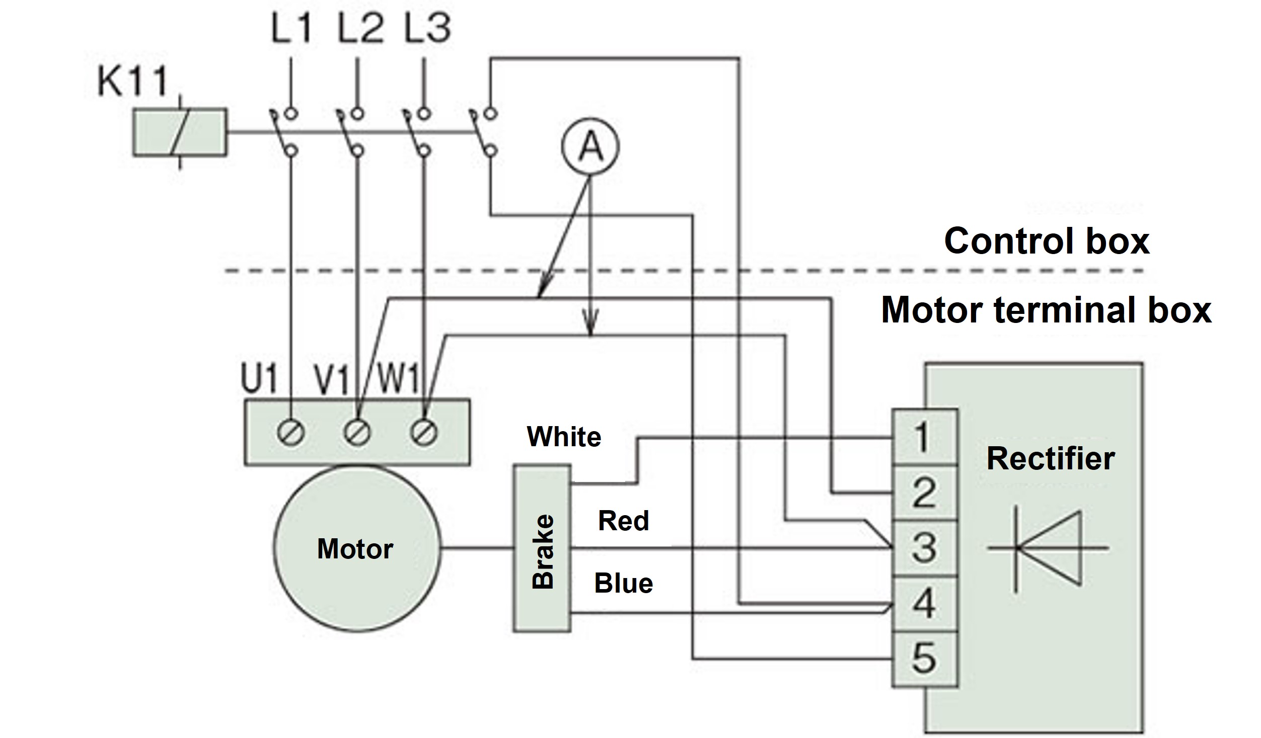
Brake motor wiring (DC brake motor)
0.75~3.7kW
Brake internal connection (at time of shipment)
200V specification
400V specification
Brake AC external wiring (*2.2kW and 3.7kW models can also have DC external wiring)
200V specification
400V specification
*Terminal block screw size 0.75 to 3.7 kW: M4 [tightening torque 1.2 N・m {0.12 kgf・m}]
5.5kW~15kW
Brake AC/ DC external wiring (at time of shipment)
200V/400V common
*Inverter drive is possible.
200V/400V common
*Power line A is not connected to prevent incorrect wiring when using an inverter.
Please prepare and wire the cable yourself.
*Terminal block screw size: 5.5kW and 7.5kW: M5 [tightening torque 2.0N・m {0.2kgf・m}] / 11kW and 15kW: M8 [tightening torque 6.0N・m {0.61kgf・m}]
Rod operating direction
In the case of the above wiring diagram, the rod operates in the following direction:
DC rectifier is shipped assembled in a terminal box.
| Rod operating direction | LPU6000S、L、M、H LPU8000S、L、M LPU12000L、M LPU16000L LPU50000L、M、H |
LPU8000H LPU12000H LPU16000M、H LPU22000L、M、H LPU32000L、M、H |
|---|---|---|
| Rod advance | Rod retraction |
Wiring method when using an inverter
- 1. When operating the motor with an inverter, the brake must be turned off separately, so remove the short piece as shown in the previous section and apply normal power supply voltage, not inverter output, to the brake DC rectifier.
- 2. For 200V class electromagnetic contactors for brakes, use ones with a rated load of AC250V, 7A or more.
For the 400V class, use a contact voltage of AC 400 to 440V and an inductive load of 1A or more (for example, an electromagnetic contactor for a 2.2kW AC motor). DC rectifier contains a surge absorption protection element. Add protection elements for each contact as necessary. - 3. If you would like to use a separate DC breaker for the brake, please contact us.
*In the case of special specifications, the wiring may differ, so please check the delivery drawings.

