technical data linear actuator Power Cylinder Motor Specifications
Wiring (T series)
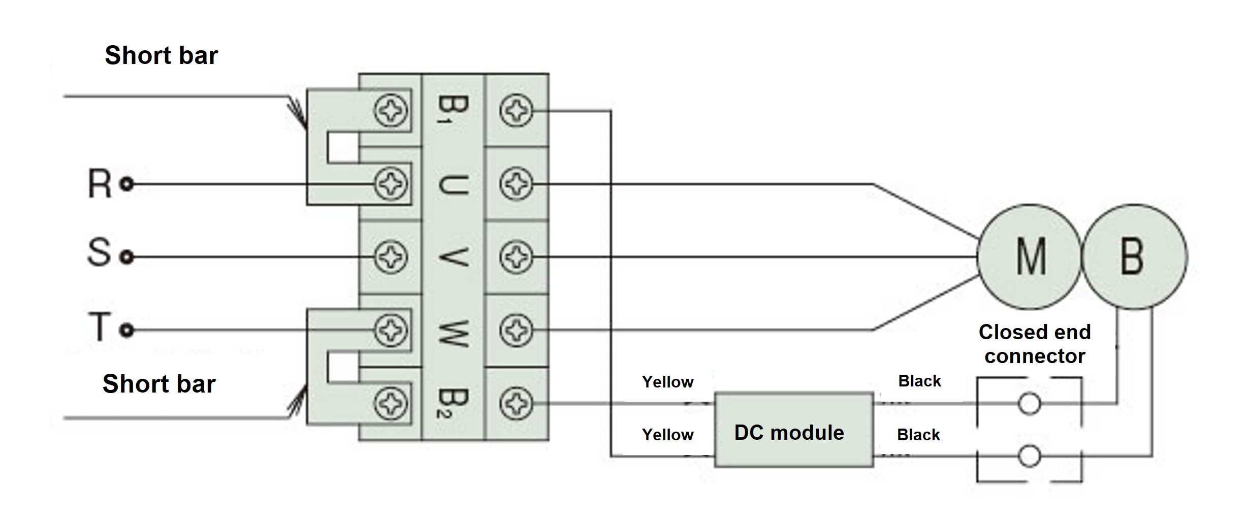
Brake motor wiring (DC brake motor)
0.1~0.4kW
Brake internal connection (at time of shipment)
200V specification
400V specification
Brake AC separate cutoff
200V specification
400V specification
* Be sure to insulate end the lead wire from the intermediate tap.
*A separate 200V power supply is required.
0.75~3.7kW
Brake internal connection (at time of shipment)
200V specification
400V specification
Brake AC separate cutoff (DC cutoff is also possible for 2.2kW and 3.7kW)
200V specification
400V specification
Rod operating direction
In the above wiring diagram, the rod operates in the direction shown on the right.
DC rectifier is shipped assembled in a terminal box.
| Rod operating direction |
LPTB250~LPTB4000 LPTC250~LPTC4000 |
|---|---|
| Rod advance |
*Crimp terminal bolt: M4 [Tightening torque 1.2N・m {0.12kgf・m}]
Wiring method when using an inverter
- 1. When operating the motor with an inverter, the brake must be turned off separately, so remove the short piece as shown in the previous section and apply normal power supply voltage, not inverter output, to the brake DC rectifier.
- 2. If the motor voltage is 400V class and the motor is 0.4kW or less, remove the wiring from the motor's center tap and insulate it, then apply a separate 200V to 220V power supply to the brake DC rectifier. If you do not have a 200V to 220V power supply, use a transformer to reduce the voltage to 200V to 220V. The transformer capacity should be 90VA or more, and make sure there is no voltage drop.
- 3. For 200V class electromagnetic contactors for brakes, use ones with a rated load of AC250V, 7A or more.
For the 400V class, use a contact voltage of AC 400 to 440V and an inductive load of 1A or more (for example, an electromagnetic contactor for a 2.2kW AC motor). DC rectifier contains a surge absorption protection element. Add protection elements for each contact as necessary. - 4. If you would like to use a separate DC breaker for the brake, please contact us.
*In the case of special specifications, the wiring may differ, so please check the delivery drawings.

