technical data High-speed lifter Zip Master Motor Wiring
Three-phase motor wiring and lifting direction
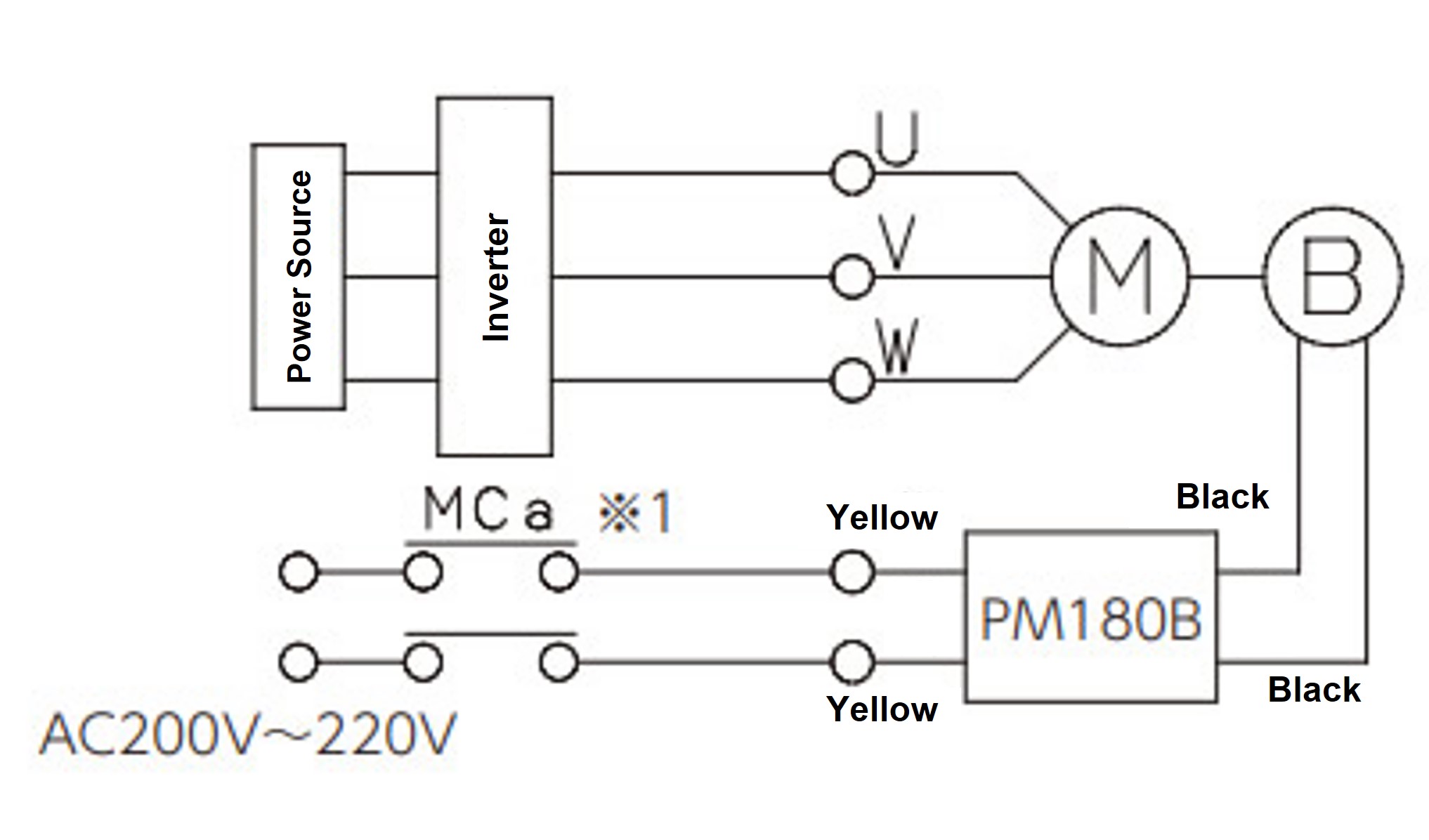
Three-phase motor wiring (for inverter control only)
3.7kW
Set the base frequency to 60Hz.
5.5kW
Set the base frequency to 60Hz.
(M): Motor (B): Brake MC: Electromagnetic contactor MCa: Auxiliary relay OCR: Overcurrent relay
DM200D, PM180B: DC rectifier--N--: Protection element (varistor)
| Product name | Manufacturer | Model number | ||
|---|---|---|---|---|
| surge absorber | Panasonic Corporation | ERZV14D471 | ||
| Ceramic varistor | Nippon Chemi-Con Corporation | TND14V-471KB00AAA0 | ||
- Note 1: The brake voltage is DC 90V (when AC 200V is input to DM200D and PM180B).
- Note 2: When using a 3.7kW motor, the brake power module may be damaged depending on the wiring length, wiring method, relay type, etc., so please connect a varistor between DC external wiring terminals.
- Note 3: Auxiliary relay (MCa) in *1 must have a contact capacity of AC200V7A or more (resistive load).
*2 If an MC auxiliary contact or Auxiliary relay is used, the contact capacity must be AC200V10A or more (resistive load). - Note 4: It is more effective to connect it near the brake power supply module (to the blue lead wire). The specific varistor model numbers are as follows, but equivalent varistors can also be used. For the DM200D, select a varistor with a voltage of 470V.

