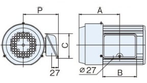
technical data Reducer Worm Reducer Motor Specifications
Standard terminal box specifications
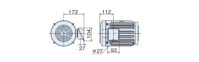
1. Motor output: 0.1kW to 0.4kW [plastic]
| Terminal Dimensions | Terminal box position | |||||||||||||
|---|---|---|---|---|---|---|---|---|---|---|---|---|---|---|
| No brakes | ![]() |
|
||||||||||||
| With brake | ![]() |
|
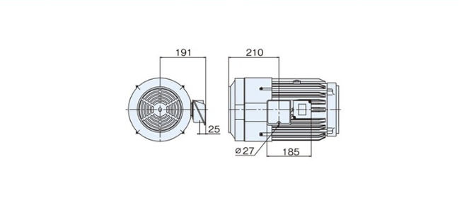
2. Motor output: 0.75kW [steel plate]
| Terminal Dimensions | Terminal box position | |||||||||||
|---|---|---|---|---|---|---|---|---|---|---|---|---|
| No brakes | ![]() |
|
||||||||||
| With brake | ![]() |
|
3. Motor output: 1.5kW to 2.2kW [steel plate]
| Terminal Dimensions | Terminal box position | ||||||||||||||||
|---|---|---|---|---|---|---|---|---|---|---|---|---|---|---|---|---|---|
| No brakes | ![]() |
|
|||||||||||||||
| With brake | ![]() |
|
4. Motor output: 3.7kW [steel plate]
| Terminal Dimensions | Terminal box position | |
|---|---|---|
| No brakes | ![]() |
![]() |
| With brake | ![]() |
![]() |
5. Motor output: 5.5kW [steel plate]
| Terminal Dimensions | Terminal box position | |
|---|---|---|
| No brakes | ![]() |
![]() |
| With brake | ![]() |
![]() |
Terminal box installation direction
The terminal box mounting direction can be changed in 90° increments. Please specify this when ordering.
Alternatively, customers can change the mounting direction by removing the motor mounting bolts and turning the motor.
Terminal box outlet direction
It can be changed in 90° increments.
(5.5kW brake model cannot be changed)
Please let us know when ordering.
(Example: Terminal port direction F1)















