pilot bore series stainless steel type Major Specifications
RS80-1B□T-SS
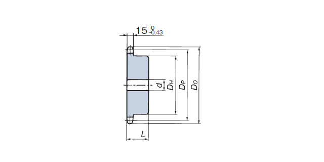
PDF outline drawing
Please refer to the table below
DXF Drawing and 3D CAD data
Please refer to the table below
| ※ | CAD data will be provided via a link to CADENAS Web2CAD Co., Ltd.'s CAD Drawing Library site "PARTcommunity." |
| ※ | For inquiries about CAD data and PARTcommunity, please contact Cadenas Web2CAD. Cadenas Web to CAD Co., Ltd. TEL: (03)5961‐5031 FAX: (03)5961‐5032 |
Model number display example
| RS80 | - | 1 | B | 21T | - | SS |
| | size |
| No. of strands |
| Hub type |
| Number of teeth |
| Specification Code SS: Stainless steel SST: Stainless steel type, wear-resistant P: Engineering plastic |
||
Main dimensions, price, delivery
| Model number | Number of teeth | Pitch circle diameter DP mm |
Outer diameter DO mm |
Pilot bore diameter d mm |
Maximum shaft bore diameter d mm |
Hub Outer diameter DH mm |
Hub length L mm |
Estimated mass kg |
DXF Drawing 3D CAD data PDF Drawings |
Standard price | Delivery | Fit bore (finished bores) |
|
|---|---|---|---|---|---|---|---|---|---|---|---|---|---|
| RS80-1B10T-SS | 10 | 82.20 | 93 | 15.9 | 32 | 52 | 40 | 0.97 | DXF・3DCAD | Please contact us | Please contact us | Search Fit Bore | |
| RS80-1B11T-SS | 11 | 90.16 | 102 | 15.9 | 38 | 60 | 40 | 1.2 | DXF・3DCAD | Please contact us | Please contact us | Search Fit Bore | |
| RS80-1B12T-SS | 12 | 98.14 | 110 | 19 | 45 | 67 | 40 | 1.5 | DXF・3DCAD | Please contact us | Please contact us | Search Fit Bore | |
| RS80-1B13T-SS | 13 | 106.14 | 118 | 19 | 50 | 77 | 40 | 1.9 | DXF・3DCAD | Please contact us | Please contact us | Search Fit Bore | |
| RS80-1B14T-SS | 14 | 114.15 | 127 | 19 | 50 | 77 | 40 | 2.0 | DXF・3DCAD | Please contact us | Please contact us | Search Fit Bore | |
| RS80-1B15T-SS | 15 | 122.17 | 135 | 19 | 63 | 93 | 40 | 2.6 | DXF・3DCAD | Please contact us | Please contact us | Search Fit Bore | |
| RS80-1B16T-SS | 16 | 130.20 | 143 | 19 | 63 | 93 | 40 | 2.8 | DXF・3DCAD | Please contact us | Please contact us | Search Fit Bore | |
| RS80-1B17T-SS | 17 | 138.23 | 151 | 19 | 63 | 93 | 40 | 3.0 | DXF・3DCAD | Please contact us | Please contact us | Search Fit Bore | |
| RS80-1B18T-SS | 18 | 146.27 | 159 | 19 | 63 | 93 | 40 | 3.2 | DXF・3DCAD | Please contact us | Please contact us | Search Fit Bore | |
| RS80-1B19T-SS | 19 | 154.32 | 167 | 23 | 63 | 93 | 40 | 3.4 | DXF・3DCAD | Please contact us | Please contact us | Search Fit Bore | |
| RS80-1B20T-SS | 20 | 162.37 | 176 | 23 | 63 | 93 | 40 | 3.6 | DXF・3DCAD | Please contact us | Please contact us | Search Fit Bore | |
| RS80-1B21T-SS | 21 | 170.42 | 184 | 23 | 63 | 93 | 40 | 3.8 | DXF・3DCAD | Please contact us | Please contact us | Search Fit Bore | |
| RS80-1B22T-SS | 22 | 178.48 | 192 | 28 | 75 | 107 | 45 | 4.8 | DXF・3DCAD | Please contact us | Please contact us | Search Fit Bore | |
| RS80-1B23T-SS | 23 | 186.54 | 200 | 28 | 75 | 107 | 45 | 5.1 | DXF・3DCAD | Please contact us | Please contact us | Search Fit Bore | |
| RS80-1B24T-SS | 24 | 194.60 | 208 | 28 | 75 | 107 | 45 | 5.4 | DXF・3DCAD | Please contact us | Please contact us | Search Fit Bore | |
| RS80-1B25T-SS | 25 | 202.66 | 216 | 28 | 75 | 107 | 45 | 5.6 | DXF・3DCAD | Please contact us | Please contact us | Search Fit Bore | |



