Plastic top Chain Curved Accumulation Chain TP-36UTW-LAP Type Major Specifications

TP-36UTW-LAP


Features

  • - Rolling of the roller reduces line pressure.
  • - The coefficient of friction between the roller and the transported object is 0.07.
  • -Suitable for lines where transported products are accumulated.

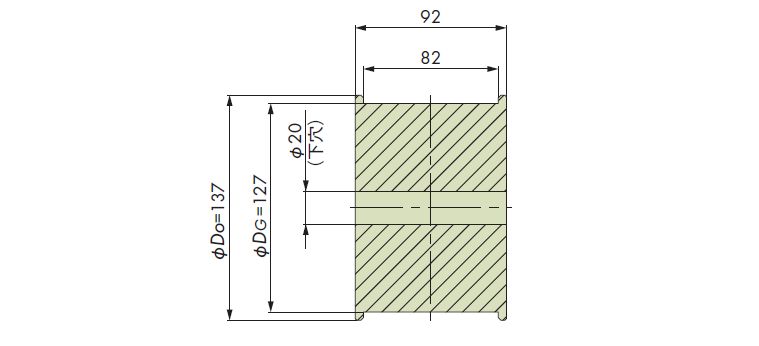
[Click to enlarge]
*This is a reference image.
PDF outline drawing

Please contact us

DXF Drawing data

Please refer to the table below
(Click here for a list of DXF data)

Major Specifications, price, delivery

Chain pitch mm Backbend radius mm
36 160
Accumulation
Chain symbol
(Click the series for
more information. )
Material Appearance color Maximum allowable load
kN
Allowable Speed
m/min
Operating temperature range
°C
Pin Material Allowable load graph
link Roller With lubrication No lubrication
Low friction and wear resistance Low friction and wear resistance LFW white 1.1 100 50 -20~(65)80 SUS304 Display Allowable load graph
Model number Plate Width
mm
1 unit of
Number of links
Approximate Mass
kg/m
DXF
Drawing
data
標準価格/リンク Delivery
TP-36UTW-LAP 120 85 2.90 DXFPlease contact us Please contact us

Note
1. "●": In stock.
We cannot manufacture any specifications that are not listed in the chain specification table above.
2. The operating temperature range (values in parentheses) is for wet conditions.
3. Plastic pin specifications cannot be manufactured.

Details of applicable specifications

Specification Specification Code General-purpose Reduces the generation of Wear debris Low friction (smooth sliding) High friction (prevent slipping) Resistant to chemicals (resistant to corrosion) High-speed driving Used in high temperature environments Used in low temperature environments Use in dry conditions only Excellent conductivity Shock resistant UV resistant Prevent the growth of fungi Debris can be detected by metal detection
standard
series
Low Friction Anti-Wear LFW           
  • Note) ◎: Excellent, ●: Good, ▲: Fair

Applicable sprocket

*Click on the model number to display detailed information. Click on the image to enlarge.


Model number Number of teeth Pitch Circle Diameter
mm
Shaft hole dimensions
mm
Type
TP-36UT-13T 13 150.42 Upon request, we will consider production.
We will respond to your request.
Integrated type

Applicable idler wheel

*Click on the model number to display detailed information. Click on the image to enlarge.


Model number Equivalent actual number of teeth Outer diameter
mm
pilot bore
mm
Type
TP-IW36UTW-13T 13 137 Upon request, we will consider production.
We will respond to your request.
Integrated type

Applicable Plastic rail

*Click on the model number to display detailed information. Click on the image to enlarge.



rail Material Symbol Model number Thickness
mm
Width
mm
Main unit End Plate
PR-PH type PLF PR-PH□□□-PLF PR-PH□□□E-PLF 3~5 20~40
PR type M PR520-M PRE520-M 5 20

This Plastic rail is not heat-resistant or chemical-resistant.
If you are using the product in a special environment or under special conditions, please contact us.

×
(You can move it by dragging it)

Standard Series [Specification code: None, G, W, B, BL, A]

General-purpose polyacetal used for chain links

Appearance color: Gray

Appearance color: White

Appearance color: Blue

Appearance color: Sky blue

■ General-purpose type
It is suitable for general use as it uses general-grade polyacetal resin with excellent mechanical properties.
■ Anti-static
It has an antistatic function that prevents the adhesion of dust and Wear debris caused by static electricity.
(Appearance color: Gray, Blue, Green, Sky Blue only) Note 2
  • Note: 1. Products with the specification code "None," "B," or "G" include those that do not comply with the Food Sanitation Act (Ministry of Health and Welfare Notification No. 370). For more information, please click here.
  • Note 2: Some products have specification codes. Please refer to Product Info for details.
  • Note 3. Please refer to each product page for the exterior color and whether or not it has anti-static functionality.
  • Note 4: There are some products that are not described as "Standard Series," such as Plastic Roller Tables and Plastic Universal Chains.
×
(You can move it by dragging it)

Low Friction / Anti-Wear resistance [Specification code: LF]

Low Friction / Anti-Wear polyacetal chain links

Appearance color: White [LFW]

Appearance color: Green [LFG]

Appearance color: Brown [LFB]

■ Purpose

  • Can be used for a variety of purposes
  • When the operating conditions are severe (high speed, high tension), the chain wears out quickly, and the chain replacement cycle is short under Standard Series
  • When the line pressure is high and you particularly want to prevent scratches on the product
■ Protection of transported items
Reduces line pressure and scratches to the products during accumulation due to its coefficient of friction 14% to 45% lower than compared to Standard series
■ Long life (compared to Standard Series)
Due to the reduction in chain tension, the chain life is improved by 1.2 to 2 times compared to Standard Series.
■ Smooth branching and collection of transported items
■ Reduction in power requirements
■Wear elongation performance of Standard Series, LF and ALF specifications
  • Note)
    Products with the specification code "LFB" include those that do not comply with the Food Sanitation Act (Ministry of Health and Welfare Notification No. 370). For more information, please click here.
×
(You can move it by dragging it)

Low Friction / Anti-Wear resistance [Specification code: CB]

Chain links made of special Low Friction / Anti-Wear polyacetal

Appearance color: Blue [CB]

■ Purpose

  • When the line pressure is high and you particularly want to prevent scratches on the product
  • Note)
    Since it contains a silicone-based lubricant, do not use it in areas where there is a risk of print bleed during the printing process or under conditions where silicone has an adverse effect.
■ Protection of transported items
Reduces line pressure and scratches to the products during accumulation due to its lower coefficient of friction compared to Standard series.
■ Smooth branching and collection of transported items
■ Reduction in power requirements
■ Only the following chain types are applicable.
  • WT2515G-M, WT2515-W, WT2515G-W, WT2515F-W, and TTUPM838H models only
×
(You can move it by dragging it)

Advanced low friction/wear resistant [Specification code: ALF]

Chain links made of ultra-Low Friction / Anti-Wear polyacetal

Appearance color: Light blue [ALF]

■ Purpose

  • A process before the packaging machine where lubricants cannot be used Wear debris are unacceptable
  • Dry lubricated processes in the beverage industry
  • Conveyor with accumulation
  • Beverage industry, inspection machine/printing conveyor, single filer, and other processes with high chain speeds
  • Note: 1. This product contains a silicone-based lubricant, so do not use it in areas where there is a risk of print repelling during the printing process or under conditions where silicone may have an adverse effect.
  • Note 2: ULF series had discontinued since October 2018.
■ Protection of transported items
This is our original material developed by blending a silicone-based lubricant for the purpose of dry conveyance.While maintaining the same friction coefficient as the previous ULF specification, it significantly reduces the amount of Wear debris generated under unlubricated conditions.
■ Smooth branching and collection of transported items
■ Reduction in power requirements
■ Comparison of wear with the old ULF specification
65%down
  • *The graph above shows the results of our internal testing. The wear volume of the old ULF specification is set as 100 (standard).
  • *ALF specifications reduce the generation of Wear debris, especially for Plastic rail, compared to the old ULF specifications. If you want to further reduce the generation of Wear debris we recommend using Plastic rail Low Friction / Wear resistant (PLF).
×
(You can move it by dragging it)

Low friction specification [Specification code: NLF]

Low-friction polyacetal chain links

Appearance color: Dark gray [NLF]

■ Purpose

  • Can be used for a variety of purposes
  • When the line pressure is high and you particularly want to prevent scratches on the product
■ Protection of transported items
Reduces line pressure and scratches to the products during accumulation due to its coefficient of friction 10% to 30% lower than compared to Standard series
■ Smooth branching and collection of transported items
■ Reduction in power requirements
  • * Allowable tension is the same as Standard Series.
×
(You can move it by dragging it)

Low friction specification [Specification code: WR]

Corrosion-resistant polyacetal used for chain links

Appearance color: Dark Green [WR]

■ Purpose

  • When using chemicals such as sodium hypochlorite
  • When the line pressure is high and you particularly want to prevent scratches on the product
■ Protection of transported items
Reduces line pressure during accumulation due to its coefficient of friction 7% to 28% lower than compared to Standard series Minimize scratching to conveyed products
■ Corrosion resistance
It has improved corrosion resistance to sodium hypochlorite and other substances, making it suitable for beverage and food conveyors.
■ Smooth branching and collection of transported items
■ Reduction in power requirements
  • Allowable tension is the same as Standard Series.
×
(You can move it by dragging it)

Heat-resistant and high-speed specifications [Specification code: KV]

Special engineering plastic used for chain links

Appearance color: Black [KV150, KV180, KV250]

■ Purpose

  • Transporting solar panel lamination processes
  • Transporting printed circuit boards after they have come out of the drying oven
  • Transport inside the shrink furnace
  • Transporting rice cookers
  • Conveying at the exit of the bread oven
  • Transport in various drying ovens
  • Transport during the process of cleaning with hot water and highly concentrated chemicals
  • Conveying in the syringe drying process
  • High-speed conveying at the seamer exit of beverage and filling capping machines
  • Notes: 1. KV150 does not comply with the Food Sanitation Act (Ministry of Health and Welfare Notification No. 370).
  • Note) 2. KV150 is for dry conditions only.
  • Note 3: Please also refer to the usage precautions for heat-resistant and high-speed (KV) specifications in the catalog.
  • Note 4. Operating temperature range: -20 to 150°C (KV150), -20 to 180°C (KV180), -20 to 250°C (KV250)
■ Maximum ambient temperature
  • 150℃ (specification code): KV150
  • 180℃ (specification code): KV180
  • 250℃ (specification code): KV250
■ Maximum speed
200m/min (for Plastic top chain)
■ Chemical resistance
It has excellent resistance to cleaning and disinfecting chemicals.
■ Conductivity
The surface resistance is low and static-free (1 x 10 6 Ω·cm), making it suitable for preventing dust adhesion and sparks.
■ Flame retardant
UL standard V-0 class (high flame retardant class)

Note: Excluding KV150

■ Noise
It is 2 to 3 dB higher (compared to Standard Series).
■ Examples of applicable chain types
  • BTC6 type, TPU826-T type, RSP40 type, etc.
×
(You can move it by dragging it)

Low Friction / Anti-Wear resistance [Specification code: HG]

Low Friction / Anti-Wear polyacetal chain links

Appearance color: Navy Blue [HG]

■ Purpose

  • A process before the packaging machine where lubricants cannot be used Wear debris are unacceptable
  • Beverage industry, inspection machine/printing conveyor, single filer, and other processes with high chain speeds
  • Dry lubricated processes in the beverage industry
  • Note)
    It does not comply with the Food Sanitation Act (Ministry of Health and Welfare Notification No. 370).
    However, we have confirmed that no substances specified in the equipment and container packaging standard test (synthetic resin) have been leached.
■Measures against Wear debris
It has 20% better wear resistance than the Low Friction / Anti-Wear (LF) specification, and can be replaced with the Low Friction / Anti-Wear (HG) specification without modifying the conveyor or changing the sprockets. (When replacing the chain, we recommend also replacing the rails. For Plastic rail in particular, we recommend Low Friction / Anti-Wear (PLF) specification.)
■ Protection of transported items
Reduces line pressure and scratches to the products during accumulation due to its coefficient of friction , which is as same as LF series, 15% to 45% lower than compared to Standard series.
■ Comparison of friction volume with various specifications
20%down
  • *The graph above shows the results of our in-house testing. The wear volume of the LF specification is set at 100 (standard). Chain type: TTP826, Chain speed: 60m/min, Room temperature, Dry conditions
  • Note
    Company A etc. Wear Resistant chain made by company A , Material of the link : Polyester
    Company B etc. Wear Resistant chain made by company B , Material of the link : Polyacetal
■ Examples of applicable chain types
  • WT1506-K type, TTP826 type, RSP50 type, etc.
×
(You can move it by dragging it)

High temperature specification [Specification code: HTW]

Polypropylene chain links

Appearance color: White [HTW]

■ Purpose

  • Chains for warmers and pasta coolers in beverage and food factories
  • Battery transport line
  • Slightly inclined transport conveyor
■ Maximum ambient temperature: 105℃
Ideal for warmers and pasta coolers in beverage factories where hot water is present.
■ Chemical resistance
It has excellent chemical resistance, including acids and alkalis.
■ High friction
The coefficient of friction is approximately 1.2 to 1.6 times that of Standard Series. It can be used for conveying on slight inclines in dry conditions.
■ Lightweight
It is approximately 40% lighter than polyacetal chains, which is effective in reducing the required power.
■ Examples of applicable chain types
  • WT1907-K type, WT2506-K type, TTPM500 type, etc.
  • Notes: 1. The WT2250FG model with the specification code "HTW" does not comply with the Food Sanitation Act (Ministry of Health and Welfare Notification No. 370).
  • Note) 2. Maximum allowable load is approximately 40% of Standard Series.
  • Note 3: Operating temperature range: 5 to 105°C
×
(You can move it by dragging it)

High-speed specification: For dry conditions only [Specification code: HS]

Special engineering plastic used for chain links

Appearance color: Beige [HS]

■ Purpose

  • High-speed conveying of cans and empty cans
  • Note)
    It does not comply with the Food Sanitation Act (Ministry of Health and Welfare Notification No. 370).
    However, we have confirmed that no substances specified in the equipment and container packaging standard test (synthetic resin) have been leached.
■ Maximum speed
It has a high limit PV value at 230 m/min (straight line), preventing melting during high-speed conveyance.
■ Examples of applicable chain types
  • TPU826-T type, TP-OTD32 type, etc.
  • Notes: 1. Maximum allowable load is approximately 80% of Standard Series.
  • Note) 2. Stainless steel pin type only.
  • Note 3. For dry conditions only.
  • Note 4: For high speed use, use stainless steel rails (cold rolled polished specifications), and depending on the application, use Plastic rail special polyamide (SJ-CNO).
  • Note 5. Operating temperature range: -20 to 50°C
×
(You can move it by dragging it)

Low temperature specification [Specification code: LTW]

Polyethylene chain links

Appearance color: White [LTW]

■ Purpose

  • Transporting frozen foods on a freezer conveyor
  • Dry ice transportation
■ Low ambient temperature
Can be used in low temperature environments down to -70°C.
(Standard Series are for temperatures up to -20°C)
■ Chemical resistance
It exhibits excellent corrosion resistance to chemicals.
■ Only the following chain types are applicable.
  • BTN5, BTC6, BTN6, BTC8
  • Notes: 1. Maximum allowable load is approximately 33% of Standard Series.
  • Note 2. If the temperature is below -20°C, a special sprocket is required. Please contact us.
  • Note 3. Operating temperature range: -70 to 60°C
×
(You can move it by dragging it)

Chemical resistant specification [Specification code: Y]

Special engineering plastic used for chain links

Appearance color: Matte White [Y]

■ Purpose

  • Transportation on manufacturing lines for lithium-ion batteries, etc.
  • Transferring printed circuit boards and silicon wafers on cleaning lines
  • Conveying at the beverage and aseptic filling room exit conveyor
  • Transportation on production lines that require chemical cleaning, such as in food factories
■ Chemical resistance
It is corrosion resistant to many chemicals, including organic solvents, inorganic hydrochloric acids, alkalis, oxidizing agents, and acetic acid.
■ Impact resistance
Compared to the standard series, the resin is less likely to chip.
■ Examples of applicable chain types
  • TTP826 type, TPRF2040 type, RSP35 type, etc.
  • Notes: 1. Maximum allowable load is approximately 50% of Standard Series.
  • Note) 2. The friction coefficient is the same as Standard Series.
  • Note 3. Do not use near open flames or in high temperatures.
×
(You can move it by dragging it)

Super chemical resistance [Specification code: SY]

Special engineering plastic used for chain links

Appearance color: Matte White [SY]

■ Purpose

  • Transportation on manufacturing lines for lithium-ion batteries, etc.
  • Transferring printed circuit boards and silicon wafers on cleaning lines
  • Conveying at the beverage and aseptic filling room exit conveyor
  • Transportation on production lines that require chemical cleaning, such as in food factories
■ Titanium is used for the pin material
Chemical resistance has been further improved by changing the chemical-resistant (Y) pin to titanium (Diamond knurl pin).
■ Chemical resistance
It exhibits strong corrosion resistance to highly corrosive chemicals such as hydrochloric acid and sulfuric acid.
■ Examples of applicable chain types
  • TTP826 type, RSP40 type, etc.
  • Notes: 1. Maximum allowable load is approximately 50% of Standard Series.
  • Note) 2. The friction coefficient is the same as Standard Series.
  • Note) 3. D-pin type and plastic pin type are not supported.
  • Note 4. Do not use near open flames or in high temperatures.
  • Note 5. Operating temperature range: -20 to 80°C
×
(You can move it by dragging it)

Conductive specification [Specification code: E]

Special engineering plastic used for chain links

Appearance color: Black [E]

■ Purpose

  • Transporting printed circuit boards after soldering
  • Before and after the solar panel lamination process, and transportation to the cutting machine
  • Countermeasure against static electricity by accumulating cans
  • Measures against static electricity after drying in a washing machine
  • Transporting automotive parts (electrical parts)
  • Note)
    It does not comply with the Food Sanitation Act (Ministry of Health and Welfare Notification No. 370).
    However, we have confirmed that no substances specified in the equipment and container packaging standard test (synthetic resin) have been leached.
■ Excellent conductivity
Specific electrical resistivity: 1 X 10 6 Ω·cm or less (Standard Series: 1 X 10 14 to 10 15 Ω·cm)
■ Static electricity suppression
Suppresses electrical noise and sparks.
Note: Please use a steel sprocket, rail or similar to ground the entire conveyor.
■ Examples of applicable chain types
  • WT0705-W type, TTP826P type, RSP35 type, etc.
  • Notes: 1. Maximum allowable load is approximately 70% of Standard Series.
  • Note) 2. The friction coefficient is the same as Standard Series.
×
(You can move it by dragging it)

Impact-resistant specifications: For dry conditions only [Specification code: DIA]

Special engineering plastic used for chain links

Appearance color: Cream [DIA]

■ Purpose

  • Transporting slightly heavy machine parts
  • Dry conveyor for direct food loading
  • Slightly inclined food conveyor
  • Note)
    It does not comply with the Food Sanitation Act (Ministry of Health and Welfare Notification No. 370).
    However, we have confirmed that no substances specified in the equipment and container packaging standard test (synthetic resin) have been leached.
■ Ultra-shock resistant
Chain is hard to chip when subjected to impact, and even if the chain breaks, debris does not shatter. Suitable for preventing contamination by foreign matters. )
■ High friction
The coefficient of friction is 1.2 times that of Standard Series. Can be used on slight inclines in dry conditions.
■ Lightweight
It is approximately 20% lighter than polyacetal Top chain, making it easier to handle and effective in reducing the required power.
■ Impact resistance (resistance to chipping when impacted)
■ Examples of applicable chain types
  • BTC8H-826-M type, TPUSR550-T type, RSP60-2 type, etc.
  • Notes: 1. Maximum allowable load is approximately 75% of Standard Series.
  • Note 2. For dry conditions only.
×
(You can move it by dragging it)

Impact-resistant: Suitable for both dry and wet conditions [Specification code: DIY]

Special engineering plastic used for chain links

Appearance color: Green [DIY]

■ Purpose

  • Food or container transport in wet conditions
  • When frequently disinfected and cleaned
  • If you are using polyacetal chain and are having trouble with chipping
  • Note)
    It does not comply with the Food Sanitation Act (Ministry of Health and Welfare Notification No. 370).
    However, we have confirmed that no substances specified in the equipment and container packaging standard test (synthetic resin) have been leached.
■ Impact resistance
Compared to polyacetal resin, it is less likely to chip even when subjected to impact.
■ Chemical resistance
It has excellent resistance to cleaning and sterilizing chemicals, making it suitable for conveyors that are frequently sterilized and cleaned.
■ Non-adhesive
This has the effect of preventing transported objects from adhering to the chain.
■ Impact resistance (resistance to chipping when impacted)
■ UV resistance
It has better weather resistance than polyacetal resin.
■ Examples of applicable chain types
  • BTC6 type, TPRF2040 type, RSP60 type, etc.
  • Notes: 1. Maximum allowable load is approximately 75% of Standard Series.
  • Note) 2. The friction coefficient is the same as Standard Series.
  • Note 3. Resin fragments may fly off depending on the atmosphere, such as low temperatures.
  • Note 4. Do not use near open flames or in high temperatures.
×
(You can move it by dragging it)

Medium friction specification: For dry conditions only [Specification code: MF]

Special polyacetal used for chain links

Appearance color: Yellow [MF]

■ Purpose

  • 3 to 5° inclined transport
  • Prevents items from slipping excessively on inspection and printing conveyors
    *Depends on the item being transported.
■ Ideal for inclined transport
A medium-high friction material suitable for inclined transport.
■ Stable transport
It is suitable for preventing misalignment of conveyed items when the conveyor starts and stops, and for preventing slippage due to acceleration.
■ Examples of applicable chain types
  • BTC6 type, TTUP826P type, RSP40 type, etc.
  • Notes: 1. Maximum allowable load is approximately 75% of Standard Series.
  • Note) 2. The friction coefficient is 1.1 times that of Standard Series.
  • Note 2. For dry conditions only.
  • Note 4: Operating temperature range: -20 to 80°C
×
(You can move it by dragging it)

Heat-resistant, radiation-resistant, and vacuum-resistant [Specification code: PK150]

PEEK resin used for chain links and pins

Appearance color: Light brown [PK150]

■ Purpose

  • High temperature environments such as drying furnaces and ovens, and entrance/exit transfer units for ovens
  • In an environment where chemicals are used, such as for cleaning and sterilizing the filling room
  • Transport in a vacuum environment
■ Maximum ambient temperature: 150℃
■ Chemical resistance
It exhibits excellent corrosion resistance to chemicals.
■ Radiation resistance
It has the highest radiation resistance of any thermoplastic resin.
■ Low gas emissions in a vacuum
■ Made with FDA (Food and Drug Administration) approved materials
■ Applicable chain type
  • WT0405-W
  • Note: Operating temperature range: -20 to 150°C
×
(You can move it by dragging it)

Antibacterial and antifungal specifications [Specification code: MWS]

Chain links made of antibacterial Low Friction / Anti-Wear polyacetal

Appearance color: Cream [MWS]

■ Purpose

  • Cleaning measures in bottling plants
  • Conveyors that are wet due to process moisture or condensation
    (Especially the entrance and exit of the shower equipment and the unloader section of the retort equipment)
  • Due to the conditions, the conveyor is prone to getting dirty, so mold prevention is required.
■ Antibacterial and antifungal
Uses original antibacterial agent developed jointly with antibacterial agent manufacturer As well as being effective against the most dangerous bacteria in the food industry, such as colon bacillus(E. coli), staphylococcus and lactobacillus, its anti-mold properties are effective against blue and other forms of mold
■ Sustainability
The antibacterial agent used is an inorganic antibacterial agent that maintains its effectiveness over the long term. Because the antibacterial agent is kneaded into the plastic material during manufacturing, it is evenly distributed throughout the link, and its antibacterial and antifungal properties continue even as the surface wears.
■ Safety
Contains a highly safe antibacterial agent. The base material does not comply with the Food Sanitation Act (Ministry of Health and Welfare Notification No. 370).
However, we have confirmed that no substances specified in the equipment and container packaging standard test (synthetic resin) have been leached.
Safety has been further improved by adding antibacterial and antifungal functions.
■ High functionality
The antibacterial agent has almost no effect on performance, and the rubber exhibits excellent Low Friction / Anti-Wear. The link material is made of Low Friction / Anti-Wear (LF) material.
  • Notes: 1. Maximum allowable load is the same as Standard Series.
  • Note 2: The friction coefficient is the same as Low Friction / Anti-Wear (LF) specification.

Antibacterial and antifungal properties

35℃ x 24 hours (Saccharomyces)
LF specification equivalent product MWS Specifications

*Test method
JIS Z2801:2010

  • Testing requester: Hygiene Microbiology Research Center Co., Ltd.
  • Issued date of certificate of analysis October 12, 2020
  • Test report issue number 2020D-BT-0808

Antibacterial test results (compared to no antibacterial agent)

Tested bacteria Test item Immediately after inoculation 35℃ x 24 hours later
E. coli MWS 1.5 X 104 38
(No antibacterial agents) 1.5 X 104 22 X 106
Staphylococcus aureus MWS 1.6 X 104 Not detected
(No antibacterial agents) 1.6 X 104 1.5 X 105
Saccharomyces
(a type of yeast)
MWS 2.5 X 104 Not detected
(No antibacterial agents) 2.5 X 104 1.4 X 104
Lactobacillus MWS 6.4 X 105 1.3 X 102
(No antibacterial agents) 6.4 X 105 6.9 X 104
Pathogenic E. coli
O-157(H7)
MWS 1 X 103.9 Not detected
(No antibacterial agents) 1 X 103.9 1 X 103.4

Mold growth test results (compared to without antibacterial agent)

Test mold Test item 7 days later 14 days later 21 days later
Black mold MWS Specifications 0 0 0
(No antibacterial agents) 0 1 2

●How to display test results

display Display contents
0 No mold growth is observed with the naked eye or under a microscope. A zone of inhibition may be observed in some cases.
1 No mold is visible to the naked eye, but can be seen under a microscope.
2 The growth of mycelia is slight, and the area of the growing part does not exceed 25% of the total area.
3 The mycelium growth is moderate, with the area of growth being 25-50% of the total area.
4 The mycelium grows well, and the area of the grown part is 50 to 100% of the total area.
5 The mycelium grows vigorously and covers the entire surface.

*Test method
JIS Z2911-2000 (A method)

  • Testing organization Ishizuka Glass Co., Ltd.
  • Issued date of certificate of analysis September 25, 2020
×
(You can move it by dragging it)

Metal detection specifications [Specification code: MPD/MPW]

Special engineering plastic used for chain links

Appearance color: Black [MPD/MPW]

■ Purpose

  • Rubber compound conveying
  • Conveyor for directly placing food in front of the packaging machine
  • Transportation of noodles directly on the conveyor (Specification code :MPW)
  • Tray transport in bakery factories (specification code: MPD)
  • Note)
    It does not comply with the Food Sanitation Act (Ministry of Health and Welfare Notification No. 370).
    However, we have confirmed that no substances specified in the equipment and container packaging standard test (synthetic resin) have been leached.
■ Can be detected by metal detectors
Even if the chain breaks and gets mixed into food or rubber compounds, it can be detected by a metal detector and prevented from leaking.
■ Impact resistance
Even if an impact is applied, fragments are less likely to fly off.
■ Examples of applicable chain types
  • TTUP826 type, RSP60-CU-2 type, etc.
  • Notes: 1. MPD specifications are for dry conditions only, while MPW specifications are for both dry and wet conditions.
  • Note 2) Maximum allowable load for the MPD specification is approximately 80% of that for Standard Series, and Maximum allowable load for the MPW specification is approximately 40% of that for Standard Series.
  • Note 3. Operating temperature range: -20 to 80°C (MPD), -20 to 60°C (MPW)
×
(You can move it by dragging it)

Low temperature and chemical resistant specifications [Specification code: UPE]

Ultra-high molecular weight polyethylene is used for the chain links

Appearance color: Matte White [UPE]

■ Purpose

  • Frozen food storage warehouse transportation
  • Transporting frozen foods on a freezer conveyor
  • Conveying food that requires chemical cleaning or contamination prevention measures
  • Transporting secondary batteries and other items that require chemical resistance
  • In an environment where chemicals are used, such as for cleaning and sterilizing the filling room
■ Low ambient temperature
Can be used in low ambient temperatures of -70°C (Standard Series are up to -20°C)
■ Impact resistance
It has extremely high impact resistance and is difficult for foreign matter to get mixed in even when used in a low temperature environment.
Compared to polyacetal resin, it has 13 times the impact resistance when used in a room temperature atmosphere and 26 times the impact resistance when used in a low temperature atmosphere.
■ Abrasion resistance
Wear when used in a room temperature environment is reduced by approximately 80% compared to polyacetal resin.
■ Chemical resistance
It exhibits excellent corrosion resistance to chemicals.
■ Made with FDA (Food and Drug Administration) approved materials
■ Applicable chain type
  • RSP80
  • Notes: 1. Maximum allowable load is approximately 30% of Standard Series.
  • Note 2. Operating temperature range: -70 to 60°C
  • Note 3. If the temperature is below -20°C, a special sprocket is required. Please contact us for details.
  • Note 4: Stainless steel (cold rolled material) is recommended for wearstrip material. UHMW-PE (ultra-high molecular weight polyethylene) is not recommended as it is the same material.
×
(You can move it by dragging it)

Acid-resistant specification [Specification code: AR]

Special polyacetal used for chain links

Appearance color: White [AR]

■ Corrosion resistance
It has better corrosion resistance than Standard Series and Low Friction / Wear resistant (LF) specifications.
■ Corrosion prevention measures
Suitable for preventing corrosion caused by soapy water containing sodium hypochlorite.
■ Examples of applicable chain types
  • TTP826 type, RSP35 type, etc.
  • Note: 1. As it will be corroded by strong acids and strong alkalis, please use the chemical resistant (Y) or super chemical resistant (SY) specifications.
  • Note) 2. Maximum allowable load is approximately 90% of Standard Series.
  • Note) 3. The friction coefficient is the same as Standard Series.
  • Note) 4. Plastic pin type is not available.
  • Note 5. Cannot be used in conditions where it will be exposed to hot water of 60°C or higher.
  • Note 6. Operating temperature range: -20 to 80°C (60) (60) is under wet conditions.
×
(You can move it by dragging it)

UV resistant [Spec symbol: UVR]

Special polyacetal used for chain links

Appearance color: Light gray [UVR]

■ Purpose

  • Transporting outdoors where it is exposed to ultraviolet rays
  • Countermeasure against UV degradation for longer life than Standard series
■ UV resistance
Compared to Standard Series and Low Friction / Wear resistant (LF) specifications, this product has superior resistance to UV degradation (discoloration and loss of strength) outdoors.
■ Examples of applicable chain types
  • TTP826 type, TTPH826P type, RSP50 type, etc.
  • Notes: 1. Maximum allowable load and friction coefficient are the same as for Standard Series.
  • Note) 2. Plastic pin type is also available.
  • Note 3. Operating temperature range: -20 to (60) 80°C. (60) is for wet conditions of plastic pin type.
×
(You can move it by dragging it)

Food conveying specifications [Specification code: PFS]

Polyacetal used for chain links

Appearance color: Nile Blue [PFS]

■ Purpose

  • Conveying during the room temperature cooling process on a bread production line
  • Other transportation in food production lines
■ Compliant with PIM (European Plastics Installation Regulation)
We use Tsubaki's original materials that comply with PIM (European Plastics Enforcement Regulation).
■ Examples of applicable chain types
  • TTP826 type, RSP40-T-CU type, etc.
  • Notes: 1. Maximum allowable load and friction coefficient are the same as for Standard Series.
  • Note 2. PIM (Plastic Implementation Manual) is a set of rules that are essential for the sale of plastic products that are intended to be used in direct contact with goods in Europe.
  • Note 3. The plastic pin type does not comply with PIM (European Plastics Installation Regulation).
×
(You can move it by dragging it)

Biomass specification (BP) [Specification code: BP]

The links are made of environmentally friendly biomass plastic

Appearance color: Dark green [BPG]

■ Environmentally friendly products
By using environmentally friendly biomass plastics derived from plants, we can not only conserve petroleum resources, but also expect to reduce CO2 emissions due to the carbon neutrality of biomass plastics.

*Biomass plastic: A plastic material made from renewable organic resources such as plants.


■ Examples of applicable chain types
  • RSP40 type only
  • Notes: 1. Maximum allowable load is approximately 36% of Standard Series.
  • Note 2. Operating temperature range: -20 to 80°C
  • Note 3. For dry conditions only.
  • Note 4: We recommend using the product in an ambient humidity range of 20 to 80%. If you wish to use the product in an ambient humidity range other than this, please contact us.
  • Note 5. Does not comply with the Food Sanitation Act (Ministry of Health and Welfare Notification No. 370).
  • Note 6. Due to the material characteristics of the biomass (BP) specification, slight color variations may occur. This does not affect the product performance.