Major Specifications of idler wheels for Top chain
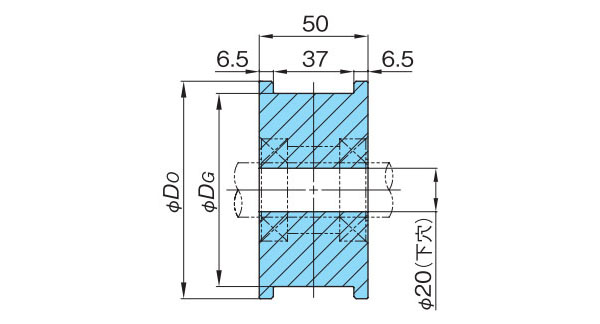
形番:TP-IW36UB1100T
PDF outline drawing
DXF Drawing data
Standard price
Please contact us
Delivery
Please contact us
Catalogs and Instruction Manuals
Applicable chain
TP-UB36
Major Specifications
| Model number | Equivalent number of teeth | Outer diameter Do mm | Shaft hole shape | pilot bore mm | Groove diameter DG mm | Approximate Mass kg |
|---|---|---|---|---|---|---|
| TP-IW36UB1100T | 11 | 112 | Circle | 20 | 100 | 0.4 |
| Material | Appearance color | type | Operating temperature range |
|---|---|---|---|
| Ultra-high molecular weight polyethylene | white | Integrated type | -20℃~60℃ |



