Chain guide Major Specifications
Catalogs and Instruction Manuals
| ※ | 3D CAD data will be provided via a link to CADENAS Web2CAD Co., Ltd.'s CAD Drawing Library site "PARTcommunity." |
| ※ | For inquiries about 3D CAD data and PARTcommunity, please contact Cadenas Web2CAD. Cadenas Web to CAD Co., Ltd. TEL: (03)5961‐5031 FAX: (03)5961‐5032 |
High rotation return roller (RR)
The inner circumference uses an engineering plastic material that has low resistance to the shaft, and the outer circumference uses a soft material that has high resistance to the chain, resulting in excellent rotational performance. This is effective when you want to avoid scratching the top surface of the chain slats, and also when you want to reduce noise on the return trip. We have also added a new type to our lineup that minimizes the generation of Wear debris by reducing contact with the top surface of the slats and using bearings in the shaft hole.
TP-IR60, TP-IR18: Dry only
TP-C121963, 121966RNT-RR, TP-C121967, 121970RNFT-RR: For both dry and wet use
Use the return roller as a support for the top of the chain on the return side of the conveyor.
| Model number | Material | color | Operating temperature range °C |
DXF Drawing data |
標準価格 | Delivery | PDF Dimensions |
3DCAD | ||
|---|---|---|---|---|---|---|---|---|---|---|
| Axis/side | Outer periphery | Axis/side | Outer periphery | |||||||
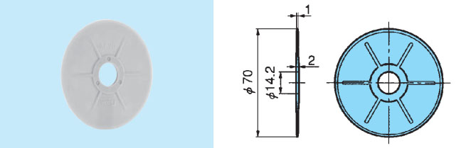
| TP-IR60 | polyamide | High-friction polyamide | Light gray | blue | -20~80 | DXF | Please contact us | Please contact us | 3DCAD | |
Note
1. This product is made to order.
2.Do not use in wet conditions.
3. Use the chain at a speed of 50 m/min or less.
| Model number | Material | color | Operating temperature range °C |
DXF Drawing data |
標準価格 | Delivery | PDF Dimensions |
3DCAD | ||
|---|---|---|---|---|---|---|---|---|---|---|
| Axis/side | Outer periphery | Axis/side | Outer periphery | |||||||
| TP-IR18 | polyamide | High-friction polyamide | Light gray | Matte White | -20~80 | DXF | Please contact us | Please contact us | 3DCAD | |
Note
1. This product is made to order.
2.Do not use in wet conditions.
3.Please use in conjunction with BTC4-500-M.
| Model number | Shaft diameter Df |
Material | color | MB equivalent product | Operating temperature range °C |
DXF Drawing data |
標準価格 | Delivery | PDF Dimensions |
||
|---|---|---|---|---|---|---|---|---|---|---|---|
| Axis/side | Outer periphery | Axis/side | Outer periphery | ||||||||
| TP-C121963RNT-RR | 15.5 | High-density polyethylene | Thermoplastic Rubber | green | gray | MB613-615342-RR | -20~60 | DXF | Please contact us | Please contact us | |
| TP-C121966RNT-RR | 20.5 | High-density polyethylene | Thermoplastic Rubber | green | gray | MB613-615372-RR | -20~60 | DXF | Please contact us | Please contact us | |
Note
1. Chain speed should be 50 m/min or less.
2.TP-C121966RNT-RR is suitable for wide chains.
| Model number | Shaft diameter Df |
Material | color | MB equivalent product | Operating temperature range °C |
DXF Drawing data |
標準価格 | Delivery | PDF Dimensions |
||
|---|---|---|---|---|---|---|---|---|---|---|---|
| Axis/side | Outer periphery | Axis/side | Outer periphery | ||||||||
| TP-C121967RNFT-RR | 15.5 | High-density polyethylene | Thermoplastic Rubber | green | gray | MB614-615382-RR | -20~60 | DXF | Please contact us | Please contact us | |
| TP-C121970RNFT-RR | 20.5 | High-density polyethylene | Thermoplastic Rubber | green | gray | MB614-615412-RR | -20~60 | DXF | Please contact us | Please contact us | |
Note
1. Chain speed should be 50 m/min or less.
2.TP-C121970RNFT-RR is suitable for wide chains.
Guide flange
| Model number | Material | color | Operating temperature range °C |
DXF Drawing data |
標準価格 | Delivery | PDF Dimensions |
3DCAD |
|---|---|---|---|---|---|---|---|---|
| TP-GF70 | Antistatic POM | Light gray | -20~80 | DXF | Please contact us | Please contact us | 3DCAD |
Note
1. This product is made to order.
2.Please use in conjunction with TP-IR60.







