Toughroller options list
*All products are made to order.
attachment
■Extended side plate type

Manual direction change interconnection
- This is a welded product and cannot be retrofitted.
[Click to enlarge]
| Applicable main body model number | L mm |
Z mm |
mass kg |
|---|---|---|---|
| TUF-J | 170 | 17 | 3 |
| TUF-6 | 230 | 17 | 6 |
| TUF12 | 300 | 17 | 12 |
| TUF25 | 400 | 22 | 33 |
| TUF1P | 230 | 17 | 2.4 |
| TUF2P | 300 | 17 | 6 |
| TUF4P | 400 | 22 | 19 |
■With horizontal guide rollers

When thrust load acts to prevent lateral vibration
- There are types that can be attached to one side and types that can be attached to both sides.
- This is a welded product and cannot be retrofitted.
[Click to enlarge]
| Applicable main body model number | N | X | H | R | E | d | h | LC | LR |
|---|---|---|---|---|---|---|---|---|---|
| TUF-J | 120 | 135 | 51.1 | 38 | 16 | 14.5 | 20 | 142 | 180 |
| TUF6 | 160 | 150 | 66 | 44.5 | 23 | 22 | 27 | 174 | 218 |
| TUF12 | 210 | 200 | 85 | 60 | 38 | 22 | 40 | 220 | 280 |
| TUF25 | 300 | 250 | 130 | 75 | 62 | 31.5 | 60 | 285 | 360 |
■With spikes

For wooden pallets
[Click to enlarge]
| Applicable main body model number | R | S |
|---|---|---|
| TUF-J | 12 | 7 |
| TUF6 | 14 | 8 |
| TUF12 | 19 | 10.5 |
■ Skirt type

When thrust load acts to prevent lateral vibration
- There are types that can be attached to one side and types that can be attached to both sides.
- *One-sided skirt is common.
- This is a welded product and cannot be retrofitted.
[Click to enlarge]
| Applicable main body model number | U mm |
V mm |
Y mm |
Mass kg (with skirts on both sides) |
|---|---|---|---|---|
| TUF-J | 65 | 14.0 | 56.5 | 3 |
| TUF6 | 85 | 19.2 | 72 | 6.3 |
| TUF12 | 112 | 27.0 | 100 | 14.5 |
| TUF25 | 166 | 36.0 | 130 | 37.8 |
■With rubber pads

For wooden pallets
- It distributes weight evenly and is suitable for preventing slipping on uneven road surfaces.
■With scraper

When there is dirt on the rail surface
- This is a welded product and cannot be retrofitted.
option
■Handle

guidance
- The main body that can be attached is an extended side plate type.
[Click to enlarge]
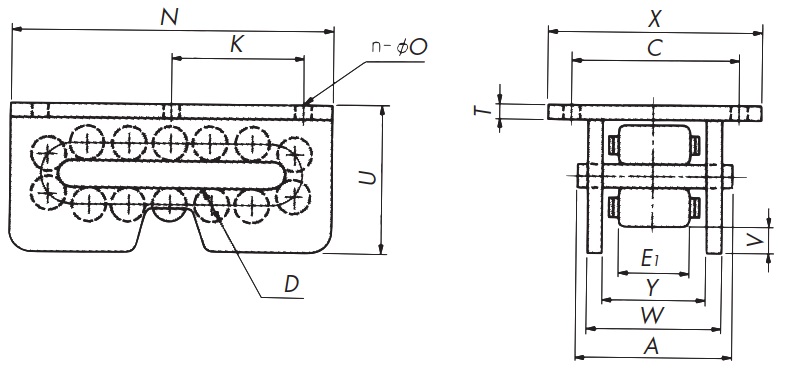
■ Turntable

For changing direction
- It can be attached to the top plate of Toughroller with bolts.
[Click to enlarge]
| Applicable main body model number | P mm |
d mm |
Q mm |
t mm |
Mounting bolt | mass kg |
|---|---|---|---|---|---|---|
| TUF-J | 90 | 7 | 10 | 6 | M8 | 1.3 |
| TUF1P, TUF6 | 120 | 10 | 13 | 6 | M10 | 2.4 |
| TUF2P, TUF12 | 160 | 14 | 13 | 9 | M12 | 5.3 |
| TUF4P, TUF25 | 200 | 17.5 | 17 | 12 | M16 | 12.1 |


