About the installation of support rollers for the TKR type Plastic Series
The TKR type plastic Cable Carrier (CABLEVEYOR) is equipped with support rollers, allowing it to accommodate even Long travel length.
When installing support rollers, the support roller installation intervals are set for each Cable Carrier (CABLEVEYOR) model to ensure stable Cable Carrier (CABLEVEYOR) carrier behavior.
Please use the following as a guideline for installation and use within Allowable load graph when support rollers are installed.
TKR15H22 (formerly TKR0150)
The installation interval for the support rollers should be set to L = 350 mm or less.
By installing four or more support rollers, travel length can be extended to a maximum of 2.2 m.
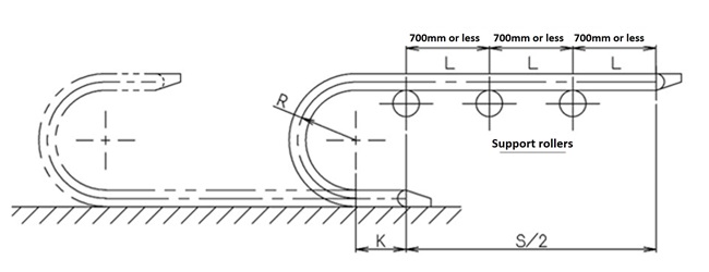
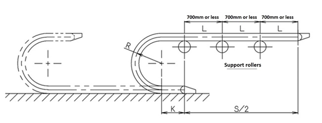
TKR20H28 (formerly TKR0200H28)
The installation interval for the support rollers should be set to L = 700 mm or less.
By installing three or more support rollers, travel length can be extended to a maximum of 3.3 m.
TKR26H40 (formerly TKR0260)
The installation interval for the support rollers should be set to L = 700 mm or less.
By installing three or more support rollers, travel length can be extended to a maximum of 3.6 m.
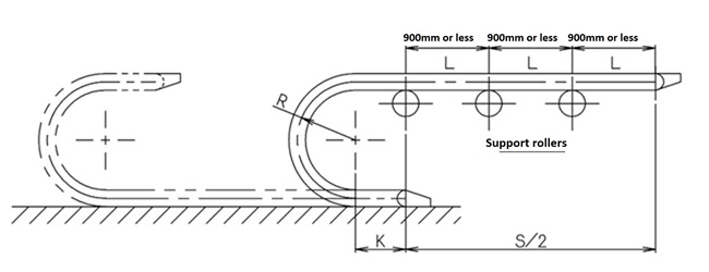
TKR28H52 (formerly TKR0280)
The installation interval for the support rollers should be set to L = 900 mm or less.
By installing three or more support rollers, travel length can be extended to a maximum of 5.0 m.
TKR28H52-EX
The installation interval for the support rollers should be set to L = 900 mm or less.
By installing three or more support rollers, travel length can be extended to a maximum of 11.88 m.
TKR37H28
The installation interval for the support rollers should be set to L = 700 mm or less.
By installing four or more support rollers, travel length can be extended to a maximum of 5.1 m.


